低压配电系统的接地形式有三种:IT系统、TT系统、TN系统,其中,TN系统又分为TN-S系统、TN-C系统、TN-C-S系统三种形式。

低压配电系统接地形式
T-直接接地
I-不直接接地
第二个字母表示负载端接地状态,具体含义如下:
T-表示电气设备金属外壳的接地与电源端接地相互独立
N-表示负载侧接地与电源端工作接地作直接电气连接
第三、四个字母表示中性线与保护线是否合用,具体含义如下:
C-表示中性线与保护线是合用的
S-表示中性线(N)与保护(PE)分开设置,为不同的导线
一 IT系统
IT系统就是电源中性点不接地、用电设备外露可导电部分直接接地的系统。IT系统可以有中性线。但IEC强烈建议不设置中性线(因为如设置中性线,在IT系统中N线任何一点发生接地故障,该系统将不再是IT系统了)。

IT系统
IT系统中,连接设备外露可导电部分和接地体的导线,就是PE线。
如果用在供电距离很长时,供电线路对大地的分布电容就不能忽视了。在负载发生短路故障或漏电使设备外壳带电时,漏电电流经大地形成架路,保护设备不一定动作,这是危险的。只有在供电距离不太长时才比较安全。

二 TT系统
TT系统就是电源中性点直接接地、用电设备外露可导电部分也直接接地的系统。通常将电源中性点的接地叫做工作接地,而设备外露可导电部分的接地叫做保护接地。TT系统中,这两个接地必须是相互独立的。设备接地可以是每一设备都有各自独立的接地装置,也可以若干设备共用一个接地装置。

TT系统
TT系统中负载的所有接地均称为保护接地。
共用接地线与工作零线没有电的联系。
正常运行时,工作零线可以有电流,而专用保护线没有电流。
TT系统由于接地装置就在设备附近,因此PE线断线的几率小,且容易被发现。
TT系统设备在正常运行时外壳不带电、故障时外壳高电位不会沿PE线传递至全系统。因此,TT系统在适用于对电压敏感的数据处理设备及精密电子设备进行供电;在爆炸与火灾危险性场所等有优势。
TT系统适用于接地保护占很分散的地方。
当电气设备的金属外壳带电(相线碰壳或设备绝缘损坏而漏电)时,由于有接地保护,可以大大减少触电的危险性。但是,低压断路器(自动开关)不一定能跳闸,造成漏电设备的外壳对地电压高于安全电压,属于危险电压。
当漏电电流比较小时,即使有熔断器也不一定能熔断,所以还需要漏电保护器作保护,困此TT系统难以推广。
TT系统接地装置耗用钢材多,而且难以回收、费工时、费料。

三 TN系统
TN系统即电源中性点直接接地、设备外露可导电部分与电源中性点直接电气连接的系统。
TN系统主要是靠单相碰壳故障变成单相短路故障(短路电流是TT系统的5.3 倍),并通过短路保护切断电源来实施电击防护的。从电击防护的角度来说,单相短路电流大或过电流保护器动作电流值小,对电击防护都是有利的。
TN系统节省材料、工时,在我国和其他许多国家广泛得到应用。TN方式供电系统中,根据其保护零线是否与工作零线分开而划分为TN-S系统、TN-C系统、TN-C-S系统三种形式。
TN-C系统如图所示,将PE线和N线的功能综合起来,由一根称为PEN线的导体同时承担两者的功能。在用电设备处,PEN线既连接到负荷中性点上,又连接到设备外露的可导电部分。由于它所固有的技术上的种种弊端,现在已很少采用,尤其是在民用配电中已基本上不允许采用TN-C系统。

TN-C系统
设备外壳带电时,接零保护系统能将漏电电流上升为短路电流,实际就是单相对地短路故障,熔丝会熔断或自动开关跳闸,使故障设备断电,比较安全。
TN-C方式供电系统只适用于三相负载基本平衡的情况,若三相负载不平衡,工作零线上有不平衡电流,对地有电压,所以与保护线所连接的电器设备金属外壳有一定的电压。
如果工作零线断线,则保护接零的通电设备外壳带电。
如果电源的相线接地,则设备的外壳电位升高,使中线上的危险电位蔓延。
TN-C系统干线上使用漏电断路器时,工作零线后面的所有重复接地必须拆除,否则漏电开关合不上闸,而且工作零线在任何情况下不能断线。所以,实用中工作零线只能在漏电断路器的上侧重复接地。
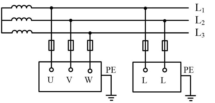
TN-S系统中性线N与TT系统相同。与TT系统不同的是,用电设备外露可导电部分通过PE线连接到电源中性点,与系统中性点共用接地体,而不是连接到自己专用的接地体,中性线(N线)和保护线(PE线)是分开的。TN-S系统的最大特征是N线与PE线在系统中性点分开后,不能再有任何电气连接,这一条件一旦破坏,TN-S系统便不再成立。

系统正常运行时,专用保护线上不有电流,只是工作零线上有不平衡电流。PE线对地没有电压,所以电气设备金属外壳接零保护是接在专用的保护线PE上,安全可靠。
工作零线只用作单相照明负载回路。
专用保护线PE不许断线,也不许进入漏电开关。
干线上使用漏电保护器,工作零线不得有重复接地,而PE线有重复接地,但是不经过漏电保护器,所以TN-S系统供电干线上也可以安装漏电保护器。
TN-S方式供电系统安全可靠,适用于工业与民用建筑等低压供电系统。
由于传统习惯的影响,现在还经常将TN-S系统称为三相五线制系统,严格地讲这一称呼是不正确的。按IEC标准,所谓“×相×线”系统的提法,是另外一种含义,它是指低压配电系统按导体分类的形式。所谓的“×相”是指电源的相数,而“×线”是指正常工作时通过电流的导体根数,包括相线和中性线,但不包括PE线。按照这一定义,TN-S系统实际上是“三相四线制”系统或“单相二线制”系统。
TN-C-S系统是,TN-C系统和TN-S系统的结合形式,在TN-C-S系统中,从电源出来的那一段采用TN-C系统,因为在这一段中无用电设备,只起电能的传输作用,到用电负荷附近某一点处,将EN线分开形成单独的N线和PE线。从这一点开始,系统相当于TN-S系统。

TN-C-S系统
TN-C-S系统可以降低电动机外壳对地的电压,然而又不能完全消除这个电压,这个电压的大小取决于负载不平衡的情况及线路的长度。要求负载不平衡电流不能太大,而且在PE线上应作重复接地。
PE线在任何情况下都不能进入漏电保护器,因为线路末端的漏电保护器动作会使前级漏电保护器跳闸造成大范围停电。
对PE线除了在总箱处必须和N线相接以外,其他各分箱处均不得把N线和PE线相联,PE线上不许安装开关和熔断器。
实际上,TN-C-S供电系统是在TN-C系统上临时变通的作法。当三相电力变压器工作接地情况良好、三相负载比较平衡时,TN-C-S系统在施工用电实践中效果还是可行的。但是,在三相负载不平衡、建筑施工工地有专用的电力变压器时,必须采用TN-S方式供电系统。
