工艺说明及安装示意
轻质隔墙板是一种新型节能墙材料,它是一种外型像空心楼板一样的墙材,具有质量轻、强度高、多重环保、保温隔音、防火、快速施工等优点,目前已广泛应用于建筑工程中。

工艺说明及安装示意

注:墙板安装完成一周后第一次勾缝,7-10天后第二次勾缝。

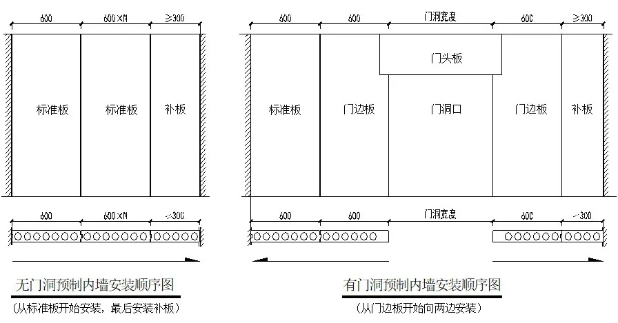
预制内墙板安装顺序示意图
安装流程现场示例
· 墙线定位

安装前必须有供安装轻质墙板放线定位用的轴线、控制线或基准线。
· 堆放墙板

工作面的墙板应堆放在指定的区域(应考虑放置在结构梁上或剪力墙、柱附近),按不同规格堆放整齐,便于操作并且避免集中堆放,分散荷载,以免造成结构损伤。
· 非标准板切割

· 板头孔洞处理及座浆


为防止顶面胶浆掉入孔中,预先用泡沫棒堵墙板上端孔,增大胶浆接触面从而增强顶面与梁板的粘结力。
· 立板上墙

· 木楔临时固定


· 平整度校正

通过墙线定位、平整度校正、垂直度校正,确保了方正性、平整以及垂直度实测成绩合格率达100%合格。
· 垂直度校正

· 墙板固定

· 钢卡用射钉固定

· 墙板底部填塞砼

墙板安装完毕后24小时内,必须用拌制好的碎石砼或1:2水泥砂浆填充板下,板下填充砼前,清除板下杂物并湿水,两人在墙体两边对挤砼,使底脚砼在墙板内孔中隆起,防止砼水化过程中收缩致使墙体松动。
· 墙板拼缝填补

· 墙板补缝

第一次补缝完成(墙板安装一周后)

第二次补缝完成(待第一次完成后静置7-10天后进行)

墙板安装补缝完毕

成品
质量控制要点
· 设计前置
配板(排板)设计,指导墙板生产、预埋和安装:
根据土建、设备及精装修施工图纸进行深化设计,绘制排板图;
确定主体结构施工时应该增打的混凝土,如门边、门头板等;
合理确定补板位置;(一般放在与主体结构相接处)
确定电气专业预埋预留位置、标明尺寸,板安装完成七天后预留预埋;
排板图应在主体结构出±0之前完成,并经设计、施工单位、生产厂家、监理、项目部确认;
配板(排板)图应包括平面布置图及立面图。图中标明墙板编号、类别、规格尺寸;门窗洞口位置和尺寸;预埋管线、插座及开关底盒的位置和尺寸;预埋件的位置、数量、规格种类等。

设计流程示意图
· 材料进场前验收
墙板质量检验:
1、厂家应提供预制内墙板的质量检验报告及合格证;
2、外观检查与尺寸偏差检查;
3、板上标有生产日期。

自然养护:低碱硫铝酸盐水泥墙板完成养护14天后方可出厂。
重要辅材质量检验:
1、粘结剂与嵌缝剂使用应用成熟的品牌产品,厂家提供具备质检报告与合格证的粘结材料;
2、嵌缝带,耐碱玻纤网格布,容重≥60g/m2,厂家提供质检报告与合格证;
3、U型或L型卡,厚度不小于2mm,且热浸镀锌处理(镀锌厚度不小于35μm)。
粘结剂、嵌缝剂 耐碱玻纤网格布


U型或L型卡
· 精装修前检查修补
全面检查、修补(缝)后方可进入精装修:
检查所有板缝;
检查门头板、门边板;
检查预制墙板与主体结构相接处;
检查阴阳角;
检查设备预埋处。
· 注意事项
精装修开始前全面检查、修补。
