识读钢筋图纸,是进行钢筋施工操作前所必须掌握的基础能力,由于钢筋图纸看似难懂晦涩,导致很多从业者望而却步。本文总结钢筋图纸识读要点,以供大家学习,如果对照着现场实物,更容易理解和掌握。

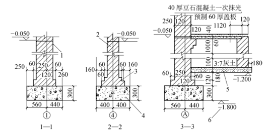
基础图包括基础平面图和基础详图。基础平面图只表明基础的平面布置,而基础详图是基础的垂直断面图(剖面图),如图1-1所示,用来表明基础的细部形状、大小、材料、构造及埋置深度等。

图1-1 条形基础剖面图
1-防潮层;2-砖基础;3-大放脚;4-混凝土垫层;5-灰土;6-基础埋深标高
1.阅读基础平面图应注意了解以下内容
(1)轴线编号、尺寸必须与建筑平面图上的完全一致。
(2)了解基础轮廓线尺寸及与轴线的关系。为独立基础时,应注意基础和基础梁的编号。
(3)了解预留沟槽、孔洞的位置及尺寸。有设备基础时,还应了解其位置、尺寸。
通过了解剖切线的位置,掌握基础变化的连续性。
2.阅读基础详图时应了解以下基本内容
(1)基础的具体尺寸(即断面尺寸)、构造做法和所用的材料。
(2)基底标高、垫层的做法、防潮层的位置及做法。
(3)预留沟槽、孔洞的标高、断面尺寸及位置等。
结构设计说明书应说明主要设计依据,如地基承载力、地震设防烈度、构造柱和圈梁的设计变化、材料的标号、预制构件统计表及施工要求等。
楼层结构的类型很多,一般常见有预制楼层、现浇楼层以及现浇和预制各占一部分的楼层。
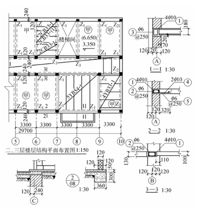
1.预制楼层结构平面布置图和剖面图
它主要作为安装预制梁、板用图。其内容一般包括结构平面布置图、剖面图、构件用量等。阅读时应与建筑平面图及墙身剖面图配合阅读,如图1-2所示。
预制楼层结构平面图主要表示楼层各种预制构件的名称、编号、相对位置、定位尺寸及其与墙体的关系等。如图1-2中虚线表示不可见的构件、墙或梁的轮廓线,此房屋为砖墙承重、钢筋混凝土梁板的混合结构,除楼梯间外,各房间的板均为预制空心板,从图中可知板的类型、尺寸及数量。所用楼板为三种,分别为YB54·1,YB33·1,CB33·(1),数量如图所示,代号为甲的房间所用楼板为4YB33·1。二、三层楼板的结构标高为3.350m和6.650m。另外,给出的1-1、2-2、3-3剖面图表明了梁、板、墙、圈梁之间的关系。

图1-2 预制楼层结构平面布置图和剖面图
2.现浇楼层结构平面布置图及剖面图
主要作现场支模板、浇筑混凝土、制作梁板等用。其内容包括平面布置图、剖面图、钢筋表等。阅读图样时同样应与相应的建筑平面图及墙身剖面图配合阅读。
现浇楼层结构平面图主要标注轴线号、轴线尺寸、梁的位置和编号、板的厚度和标高及配筋情况。如图1-3所示,现浇板的上皮标高为3.720m,主筋为双向布置f8@125,构造分布筋为f8@200。

图1-3 现浇楼层结构平面图
1.图示方法
为了突出表示钢筋的配置情况,在构件结构图中,画钢筋用粗实线,画构件的外形轮廓线用细实线,在构件的断面图中,画钢筋的截面则用粗圆点。另外还要标注钢筋的编号,同类型的钢筋可采用同一钢筋编号。编号的标注方法是在该钢筋上画一条引出线,在其另一端画一直径为6mm细线圆圈,在圆圈内写上钢筋的编号。然后在引出线的水平部分上标注钢筋的尺寸(图1-4)。表1-1列出了钢筋的画法。

图1-4 钢筋的图示方法


表1-1 钢筋的画法
2.尺寸标注
钢筋的直径、数量或相邻钢筋中心距一般采用引出线方式标注,其尺寸标注有下面两种形式。
(1)标注钢筋的根数和直径,如梁内受力筋和架立钢筋。

(2)标注钢筋的直径和相邻钢筋中心距,如梁、柱内箍筋和板内钢筋。

钢筋简图中的尺寸,受力筋的尺寸按外皮尺寸标注,箍筋的尺寸按内包尺寸标注,如图1-5所示。

图1-5 钢筋尺寸标注
以上内容来源于网络收集整理,如有侵权请联系客服