来源:筑龙论坛
一、土石方工程清单编制例题
例1:某工程外墙外边线尺寸为36.24m×12.24m,底层设有围护栏板的室外平台共4只,围护外围尺寸为3.84m×1.68m;设计室外地坪土方标高为-0.15m,现场自然地坪平均标高为-0.05m,现场土方多余,需运至场外5km处松散弃置,按规范编制该工程平整场地清单项目。
解:该工程按自然标高计算,多余土方平均厚度0.10m,按题意需考虑外运。
工程量计算:
平整场地:S=36.24×12.24+3.84×1.68×4=469.38m2
分部分项工程量清单 表1-1
序号 | 项目编码 | 项目名称 | 计量单位 | 工程数量 |
1 | 010101001001 | 平整场地,余土平均厚度0.1m,外运距离5km处松散弃置 | m2 | 469.38 |
例2:如图,某房屋工程基础平面及断面如图,已知:基底土质均衡,为二类土,地下常水位标高为 -1.1m,土方含水率30%;室外地坪设计标高-0.15m,交付施工的地坪标高-0.3m,基坑回填后余土弃运5km。试计算该基础土方开挖工程量,编制工程量清单。


图4-1
解:本工程基础槽坑开挖按基础类型有1-1、2-2和J-1三种,应分别列项。工程量计算:挖土深度=1.6-0.3=1.30 m
1、断面1-1:L=(10+9)×2-1.1×6+0.38=31.78m (0.38为垛折加长度)
V=31.78×1.4×1.3=57.84m3
其中:湿土 V=31.78×1.4×0.5=22.25m3
2、断面2-2:L=9-0.7×2+0.38=7.98m
V=7.98×1.6×1.3=16.60m3
其中:湿土 V=7.98×1.6×0.5=6.38m3
3、J-1: V=2.2×2.2×1.3×3=18.88m3
其中:湿土 V=2.2×2.2×0.5×3=7.26m3
根据工程量清单格式,编制该基础土方开挖工程量清单如下表:
分部分项工程量清单 表1-2
序号 | 项目编码 | 项目名称 | 计量单位 | 工程数量 |
1 | 010101003001 | 挖1-1有梁式钢筋砼基槽二类土方,基底垫层宽度1.4m,开挖深度1.3m,湿土深度0.5m,土方含水率30%,弃土运距5km | m3 | 57.84 |
2 | 010101003002 | 挖2-2有梁式钢筋砼基槽二类土方,基底垫层宽度1.6m,开挖深度1.3m,湿土深度0.5m,土方含水率30%,弃土运距5km | m3 | 16.60 |
3 | 010101003003 | 挖J-1钢筋砼柱基基坑二类土方,基底垫层2.2m×2.2m,开挖深度1.3m,湿土深度0.5m,土方含水率30%,弃土运距5km | m3 | 18.88 |
例3:某工程室外排水管道WSI,工程量80m(含窨井),采用外径450mm水泥涵管直铺。工程设计室外地坪标高-0.45m,交付施工场地标高-0.55m,管底(外壁)平均标高-2.35m;管间有砖砌窨井6只,井底垫层尺寸1.3m×1.3m;开挖土方三类,无地下水,管沟内原土回填夯实,余土现场运距120m。试编制该管沟土方开挖工程量清单。
解:根据已知工程资料,确定清单项目的描述内容,编制清单如下:
分部分项工程量清单 表1-3
序号 | 项目编号 | 项目名称 | 计量单位 | 工程数量 |
1 | 010101006001 | 挖WS1水泥涵管沟槽三类干土,管外径450mm,直铺,挖土深1.8m,沟槽原土回填夯实,余土堆弃平均距离120m,管间砖砌窨井共6只,井底垫层尺寸1.3m×1.3m | m | 80 |
例4:例2工程,根据现场土方平衡条件,基础槽坑利用开挖干土方原土回填,堆放点至槽坑平均距离20米,填土要求分层夯实。假设埋入设计地坪以下的基础体积为30m3,计算该工程基槽坑回填土工程量并编制工程量清单。
解:基槽坑开挖土方工程量(见例2):57.84+16.6+18.88=93.32m3
已知设计室外地坪以下埋入的基础体积:30m3
基槽坑回填土工程量=93.32-30=63.32m3
分部分项工程量清单 表1-4
序号 | 项目编码 | 项目名称 | 计量单位 | 工程数量 |
1 | 010103001001 | 基槽坑场内土方回填,槽坑开挖原土分层夯实,运距20m | m3 | 63.32 |
二、土石方工程清单计价例题
例5:按照浙江省2003版建筑工程预算定额计算“例题1”清单的综合单价。
(假设:市场工料机单价同定额取定;工程施工方案选定为推土机和铲运机配合施工,余土为铲运机装土自卸汽车运土;工程取费标准按工程类别及企业水平情况,企业管理费按人工费及机械费之和的25%、利润按人工费及机械费之和的10%、风险按人工费的20%和机械费的10%考虑计算。)
解:按照题意,该清单项目组合内容有场地平整、余土外运(包括装土和运土)。
(1)工程量计算:
已知清单工程量=469.38m2;
根据采用定额的工程量计算规则,计算其施工工程量如下:
平整场地S=(36.24+2×2)×(12.24+2×2)=653.5m2
余土外运(5km) V=653.5×0.1=65.35m3
(2)定额套用,确定工料机费:
“平整场地”套用1-28定额:
人工费=653.5×0.024=15.68元
机械费=653.5×0.23369=152.72元
余土装车套用1-68定额:
人工费=65.35×0.144=9.41元
机械费=65.35×0.84758=55.39元
自卸汽车运土套用1-69+70×4定额:
人工费=65.35×0.144=9.41元
机械费=65.35×(4.72425+1.18316×4)=618.01元
(3)费用计算
工料机费合计:人工费=15.68+9.41+9.41=34.5元
机械费=152.72+55.39+618.01=826.12元
企业管理费=(34.5+826.12)×25%=215.16元
利 润=(34.5+826.12)×10%=86.06元
风 险 费=34.5×20%+826.12×10%=89.51元
合 价=34.5+826.12+215.16+86.06+89.51=1251.35元
∴综合单价=1251.35元÷469.38m2=2.67元/m2
该题涉及到的大型机械进退场费应在工程措施项目清单中列项计价。
例6:根据例题2工程条件和清单及企业拟定的二个施工方案计算工程挖基槽、坑土方综合单价。(参照例题5的计费标准)
解1:按照拟定施工方案一(人工开挖基槽坑)及采用的计价定额计算施工工程量:查定额:二类土挖深大于1.2m,K=0.5,砼垫层工作面C=0.3m
挖土深度 H总=1.6-0.15=1.45 m 其中:湿土H湿=1.6-1.1=0.5m
(1)基槽坑挖土施工工程量:
1-1断面:L=57.84÷(1.4×1.3)+0.1×6(定额规则不扣垫层搭接)=32.38m
V总=32.38×(1.4+0.6+1.45×0.5)×1.45=127.94m3
其中:湿土V湿=32.38×(1.4+0.6+0.5×0.5)×0. 5=36.43m3
2-2断面:L=9-0.6×2+0.38=8.18m
V总=8.18×(1.6+0.6+1.45×0.5)×1.45=34.69m3
其中:湿土 V湿=8.18×(1.6+0.6+0.5×0.5)×0. 5=10.02m3
J-1:V总=[(2.2+0.6+1.45×0.5)2×1.45+0.254]×3只=54.81m3
其中:湿土 V湿=[(2.2+0.6+0.5×0.5)2×0.5+0.010]×3只=13.98m3
(2)余土外运(按基坑边堆放、人工装车、自卸汽车运土考虑,回填后余土不考虑湿土因素)
弃土外运工程量为基槽坑内埋入体积数量,假设:
1-1断面:V=26.6m3 2-2断面:V=6.2 m3 J-1基础:V=8.3 m3
(3)按施工工程量与清单工程量之比系数:
1-1断面 干土 (127.94-36.43)÷57.84=1.5821
湿土 36.43÷57.84=0.6298
运土 26.6÷57.84=0.4599
2-2断面:干土(34.69-10.02)÷16.6=1.4861
湿土 10.02÷16.6=0.6036
运土 6.2÷16.6=0.3735
J-1:干土(54.81-13.98)÷18.88=2.1626
湿土 13.98÷18.88=0.7405
运土 8.3÷18.88=0.4396
(4)套用定额,计算单位清单工程量工料机费用:
工程内容套用定额指标表 表1-5
名称 | 套用 定额编号 | 人工费 (元/m3) | 材料费 (元/m3) | 机械费 (元/m3) |
人工挖地槽坑二类干土 | 1-10 | 5.304 | 0 | 0 |
人工挖地槽坑二类湿土 | 1-10换 | 6.259 | 0 | 0 |
人工装土 | 1-67 | 3.384 | 0 | 0 |
自卸汽车运土5km | 1-69+70×4 | 0.144 | 0 | 9.456 |
(5)计算综合单价
综合单价计算表 表1-6
项目名称 | 挖1-1有梁式钢筋砼基槽二类土方,基底垫层宽度1.4m,开挖深度1.3m,湿土深度0.5m,弃土运距5km | |||||
工程内容 | 人工挖地槽坑二类干土 | 人工挖地槽坑二类湿土 | 人工装土 | 自卸汽车运土5km | 合计 | |
定额编号 | 1-10 | 1-10换 | 1-67 | 1-69+70×4 | ||
单位 | m3 | m3 | m3 | m3 | m3 | |
数量比值 | 1.5821 | 0.6298 | 0.4599 | 0.4599 | 1.0000 | |
人工费 | 元/m3 | 8.39 | 3.94 | 1.56 | 0.07 | 13.96 |
机械费 | 0 | 0 | 0 | 4.35 | 4.35 | |
管理费 | 2.10 | 0.99 | 0.39 | 1.11 | 4.59 | |
利润 | 0.84 | 0.39 | 0.16 | 0.44 | 1.83 | |
风险费 | 1.68 | 0.79 | 0.31 | 0.45 | 3.23 | |
综合单价 | 13.01 | 6.11 | 2.42 | 6.42 | 27.96 | |
表中:企业管理费按人工费及机械费之和的25%、利润按人工费及机械费之和的10%、风险按人工费的20%和机械费的10%考虑计算。
同上方法,可以计算得2-2断面基槽及J-1基坑挖土的综合单价如下表:
综合单价分析表(元/m3) 表1-7
费用名称 | 人工费 | 机械费 | 管理费 | 利润 | 风险费 | 综合单价 |
2-2断面 | 12.98 | 3.53 | 4.13 | 1.65 | 2.95 | 25.24 |
J-1 | 17.66 | 4.16 | 5.46 | 2.18 | 3.95 | 33.41 |
以上是按清单1个单位项目组合内容数量计算综合单价的方法,也可以先计算出清单项目全部组成内容的合价,然后再按清单工程量倒算出清单项目的综合单价。
解2:按照拟定施工方案二(机械大开口开挖)采用基坑上反铲挖土,土方堆于基坑周围,待回填后余土外运;放坡按定额取定,工作面按基础垫层(不考虑墙垛凸出部位)外边线加0.3米考虑。经查定额:二类土挖深大于1.2m,K=0.75,工作面C=0.3m
挖土深度 H总=1.6-0.15=1.45 m 其中:湿土H湿=1.6-1.1=0.5m
(1)挖土工程量:
V总=(11.8+0.6+1.45×0.75)×(11.2+0.6+1.45×0.75)×1.45+0.57
=252.61m3
其中:
V湿=(11.8+0.6+0.5×0.75)×(11.2+0.6+0.5×0.75)×0.5+0.02
=77.79m3
V干=252.61-77.79=174.82 m3
按照清单各项目工程量进行分摊计算:
清单工程量合计V=57.84+16.6+18.88=93.32 m3
每1m3清单工程量的干土施工工程量=174.82÷93.32=1.8733
每1m3清单工程量的湿土施工工程量=77.79÷93.32=0.8336
∴ 断面1-1施工工程量V干=57.84×1.8733=108.35 m3
V湿=57.84×0.8366=48.39m3
断面2-2施工工程量V干=16.6×1.8733=31.10m3
V湿=16.6×0.8366=13.89m3
J-1基坑施工工程量V干=18.88×1.8733=35.37m3
V湿=18.88×0.8366=15.80m3
弃土外运数量、方案同解1。
(2)计算断面1-1综合单价:
① 机械挖二类干土 套1-35定额:
人工费=108.35 ×1.152元/m3=124.82元
机械费=108.35×1.32287元/m3=143.33元
② 机械挖二类湿土(含水率30%) 套1-35定额,按定额六-6点说明换算,定额乘系数1.15
人工费= 48.39×1.152×1.15 =64.11元
机械费=48.39×1.32287×1.15=73.62元
③ 余土外运、人工装土 套1-67定额:
人工费=26.6×3.384=90.01元
④ 自卸汽车运土,运距5km 套 1-69定额+1-70定额乘以4倍:
人工费=26.6×0.144=3.83元
机械费=26.6×(4.72425+1.18316×4)=251.55元
⑤综合单价计算:
人工费合计=124.82+64.11+90.01+3.83=282.77元
机械费合计=143.33+73.62+251.55=468.5元
企业管理费=(282.77+468.5)×25%=187.82元
利 润=(282.77+468.5)×10%=75.13元
风 险 费 用=282.77×20%+468.5×10%=103.40元
合计:1117.62元
∴断面1-1基槽挖土综合单价=1117.62÷57.84=19.32元/m3
同上方法,计算2-2断面和J-1基坑挖土的合价和综合单价。
本题没有考虑采用井点排水的施工方法,如果采用井点排水的施工方法,按定额六-7点说明,则不考虑30%含水率时的定额调整。
采用机械施工时,土方机械应计算的进退场费用在施工措施项目清单内计价。
例7:按照施工设计拟定的人工施工方案,按03版浙江省计价依据计算例题3管沟清单综合单价。【设定:施工取费以人工费机械费之和为基数,企业管理费按8%、利润按5%计算,风险费用在人工单价内考虑;人工单价按30元/工(除机上人工以外)、其他按定额取定价格计算】
解:(1)人工挖管沟三类干土:挖土深度H=2.35-0.45=1.9m
V=80×(1.3+1.9×0.33)×1.9=292.9m3 (井底面积小于20m2,不考虑井位土方增量) 套用1-14定额:
人工费=292.9×0.471工日×30元/工日=4138.68元
(2)沟槽内原土就地回填夯实:(因管径小于500,回填不扣除管道所占体积) ∴ V=292.9 m3 套用1-24定额:
人工费=292.9×0.167×30=1467.43元
机械费=292.9×0.4624=135.44元
(3)余土场内运输,运距120m
工程量计算:经计算得埋入地下管、井所占体积为28.5m3,该体积应发生运输。套定额1-26+27×2:
人工费=28.5×(0.162+0.036×2)×30=200.07元
(4)清单项目综合单价计算:
人工费合计=4138.68+1467.43+200.07=5806.18元
机械费合计=135.44元
企业管理费=(5806.18+135.44)×8%=475.33元
利 润=(5806.18+135.44)×5%=297.08元
以上合计=6714.03元 ∴综合单价=6714.03÷80 m=83.93元/m
例8:某工程根据地基地质资料及工程其他具体条件,施工方案确定采用轻型井点管排水以降低地下水位,水平集水总管(D100)沿建筑物两侧布置,共四道每道36m,井点管(D50)间距1.2m,每根6m,井管等设备场外运输进出一次各耗用8t载重汽车0.5台班;管井使用期按施工进度计划确定为28天;如工料机价格按定额取定不变,企管费和利润综合费按15%计算,则该井点管工程综合报价为多少?
解:
①.列项、计算工程量计算:
轻型井点管安装、拆卸:[(36m÷1.2m)+1]×4道=124根
井点管使用:124根÷50=2.48套,按3套计算
3套×28天=84套天
井管、设备运输8t汽车台班:0.5×2次=1台班
②.套用定额,计算工料机费及综合费用
井点管安装、拆卸 套用1-104
人工费=124根×375.84/10根=4660.41元
材料费=124根×332.19/10根=4119.16元
机械费=124根×392.29/10根+运输1×327.03元/台班=5191.43元
小计:13971.45
井点管使用 套用1-105
人工费=84套天×72=6048元
材料费=84套天×14.39=1208.76元
机械费=84套天×156.12=13114.08元 小计:20370.84元
综合费用=(4660.41+5191.43+6048+13114.08)×15%=4352.09元
∴井点管综合报价为:
13971.45+20370.84+4352.09=38694元
该轻型井点管为措施项目,应列入措施项目清单计算。
一、桩基础工程量清单编制例题
例1:某工程采用标准设计预制钢筋砼方桩100根(JZH b-40-12、12 A),砼强度等级要求为C40,桩顶标高-2.5m,现场自然地坪标高-0.3m;现场施工场地不能满足桩基堆放,需在离单体工程平均距离350m以外制作、堆放;地基土以中等密实的粘土为主,其中含砂夹层连续厚度2.2m,设计要求5%的桩位须单独试桩,要求计算工程量及编列项目清单(不含钢筋)。
解:根据设计、现场和图集资料,确定该工程设计预制桩工程量及有关工作内容和项目特征如下
打桩及打试桩土壤级别:二级土(含砂夹层连续厚度2.2m>1m)
单桩长度:14+14=28m 桩截面:400mm×400mm
混凝土强度等级:C40 桩现场运输距离:≥350m
根数:因设计桩基础只有一个规格标准,可以按“根”作为计量单位,
打预制桩:100-5=95根 打试桩:100×5%=5根
送桩:每只桩要求送桩,桩顶标高-2.5m,自然地坪标高-0.3m
焊接接桩:查图集为角钢接桩,每个接头重量9.391kg
每根桩一个接头,共100个(其中试桩接桩5个)
按照以上内容,(不包括钢筋骨架)列出项目清单如下表:
分部分项工程量清单 表2-4
工程名称:XXX工程 第X页共X页
序号 | 项目编码 | 项目名称 | 计量单位 | 工程数量 |
1 | 010201001001 | 预制钢筋混凝土桩:二级土;单桩长度14+14m,桩截面400×400;C40混凝土制作;现场运输≥350m;桩顶标高-2.5m,自然地坪标高-0.3m | 根 | 95 |
2 | 010201001002 | 预制钢筋混凝土桩:试桩;二级土;单桩长度14+14m,桩截面400×400;C40混凝土制作;现场运输≥350m;桩顶标高-2.5m,自然地坪标高-0.3m | 根 | 5 |
3 | 010201002001 | 普通方桩接桩:4 L75×6焊接, 长340mm。(或每个接头角钢9.4kg) | 个 | 95 |
4 | 010201002002 | 试桩方桩接桩:4 L75×6焊接, 长340mm。(或每个接头角钢9.4kg) | 个 | 5 |
例2:某工程110根C50预应力钢筋混凝土管桩,外径φ600、内径φ400,每根桩总长25m;桩顶灌注C30砼1.5m高;每根桩顶连接构造(假设)钢托板3.5kg、圆钢骨架38kg,设计桩顶标高-3.5m,现场自然地坪标高为-0.45m,现场条件允许可以不发生场内运桩。按规范编制该管桩清单。
解:本例桩基需要描述的工程内容和项目特征有 混凝土强度(C30),桩制作工艺(预应力管桩),截面尺寸(外径φ600、内径φ400),数量(计量单位按长度计算,则应注明共110根),单桩长度(25m),桩顶标高(-3.5m),自然地坪标高(-0.45m),桩顶构造(灌注C30砼1.5m高)。
工程量计算:110根 或110×25=2750m 编列清单如下表:
分部分项工程量清单 表2-5
工程名称:XXX工程 第X页共X页
序号 | 项目编码 | 项目名称 | 计量单位 | 工程数量 |
1 | 010201001001 | C50钢筋混凝土预应力管桩,每根总长25m,外径φ600、壁厚100;桩顶标高-3.5m,自然地坪标高-0.45m,桩顶端灌注C30砼1.5m高,每根桩顶圆钢骨架38kg、构造钢托板3.5kg | 根 | 110 |
例3:某工程采用C30钻孔灌注桩80根,设计桩径1200mm,要求桩穿越碎卵石层后进入强度为280kg/cm2的中等风化岩层1.7m,入岩深度下面部分做成200mm深的凹底;桩底标高(凹底)-49.8m桩顶设计标高-4.8m,现场自然地坪标高为-0.45m,设计规定加灌长度1.5m;废弃泥浆要求外运5km处。试计算该桩基清单工程量,编列项目清单。
解:为简化工程实施过程工程量变化以后价格的调整,选定按“m”为计量单位。按设计要求和现场条件涉及的工程描述内容有:
桩长45m,桩基根数65根,桩截面φ1200,成孔方法为钻孔,混凝土强度等级C30;桩顶、自然地坪标高、加灌长度及泥浆运输距离,其中设计穿过碎卵石层进入280kg/cm2的中等风化岩层,应考虑入岩因素及其工程量参数。
清单工程量=80×(49.8-4.8)=3600m
其中入岩=80×1.7=136m 编列清单如下:
分部分项工程量清单 表2-6
工程名称:XXX工程 第X页共X页
序号 | 项目编码 | 项目名称 | 计量单位 | 工程数量 |
1 | 010201003001 | C30砼钻孔灌注桩:120根,桩长45m,桩截面φ1200,桩底进入280kg/cm2的中等风化岩,入岩深度包括凹底200mm共1.7m;桩底标高-49.8m,桩顶标高-4.8m,自然地坪标高-0.45m,要求加灌长度1.5m;废弃泥浆外运5km | m | 3600 |
本例也可将入岩部分单独编码列项,以避免由于工程实际施工时非入岩和入岩部分尺寸发生变异,不同的价格调整互相影响。
例4:某地下室工程采用地下连续墙作基坑挡土和地下室外墙。设计墙身长度纵轴线80m两道、横轴线60m两道围成封闭状态,墙底标高-12m,墙顶标高-3.6m,自然地坪标高-0.6m,墙厚1000mm,C35混凝土浇捣;设计要求导墙采用C30混凝土浇筑,具体方案由施工方自行确定(根据地质资料已知导沟范围为三类土);现场余土及泥浆必须外运5km处弃置。试计算该连续墙清单工程量及编列清单。
解:
(1)计算清单工程量:
连续墙长度=(80+60)×2=280m 成槽深度=12-0.6=11.4m
墙高=12-3.6=8.4m V=280×11.4=3192m3
(2)根据清单规范附录提示结合工程具体资料、拟订的施工方案及清单编制确定的工程内容和特征编列项目清单如下表:
分部分项工程量清单 表2-9
工程名称:XXX工程 第X页共X页
项目编码 | 项目名称 | 计量单位 | 工程数量 |
010203001001 | C35钢筋砼地下连续墙:成槽长度280m,深度11.4m, 墙厚1m,墙底标高-12m,墙顶标高-3.6m,自然地坪标高-0.6m;C30素砼导墙浇捣;余土及泥浆外运5km | m3 | 3192 |
二、桩基础工程量清单计价例题
例5:根据企业设定的投标方案,按例题1提供的清单计算预制混凝土桩的综合单价以及分部分项和措施项目综合报价。(投标方设定的方案:混凝土桩自行在现场制作,制作点按照施工平面确定平均为400m,根据桩长采用3000KN净力压桩机一台压桩,现场采用15t载重汽车配以二台15t履带式起重机吊运;工程消耗工料机价格按定额取定标准考虑市场价格增加幅度为人工费10%、材料费2%、机械费5%;施工取费按企业管理费12%、利润8%计算,不再考虑其他风险)
解:按照综合单价的计算方法,计算计价工程量有两种办法(见表2-12、13),且均可以在计价软件有关窗口根据工程量清单描述直接计算。
一种办法是计算出每个清单项目计价工程量的总数量:
计价工程量计算表 表2-12
序号 | 项目名称 | 工程量计算式 | 单位 | 数量 |
分部分项项目计价工程量 | ||||
1 | 压(沉)桩 | 95×28×0.4×0.4 | m3 | 425.6 |
送桩 | 95×0.4×0.4×(2.5-0.3+0.5) | m3 | 41.47 | |
C40预制方桩 | 425.6×(1+1.5%损耗率) | m3 | 431.98 | |
汽车运输400m | 425.6 | m3 | 425.6 | |
2 | 压(沉)试桩 | 5×28×0.4×0.4 | m3 | 22.4 |
送桩 | 5×0.4×0.4×(2.5-0.3+0.5) | m3 | 2.16 | |
C40预制方桩 | 22.4×(1+1.5%损耗率) | m3 | 22.74 | |
汽车运输400m | 22.4 | m3 | 22.4 | |
3 | 角钢接桩 | 95×4×0.34×6.905 (或95×9.391) | kg | 892 |
4 | 试桩角钢接桩 | 5×4×0.34×6.905 (或5×9.391) | kg | 47 |
措施项目工程量计算 | ||||
1、预制方桩模板 | 431.98+22.74 | m3 | 454.72 | |
2、桩机进退场费 | 1台 | 台次 | 1 | |
3、桩机安拆费 | 1台 | 台次 | 1 | |
4、15t履带吊进退场 | 2台 | 台次 | 2 | |
或将分部分项计价工程量折算至清单工程量每个单位的含量,如下表:
清单项目计价工程量含量计算表 表2-13
序号 | 项目名称 | 计算式 | 单位 | 数量 |
压(沉)桩 | 28×0.4×0.4 | m3/根 | 4.48 | |
送桩 | 0.4×0.4×(2.5-0.3+0.5) | m3/根 | 0.432 | |
C40预制方桩 | 4.48×(1+1.5%损耗率) | m3/根 | 4.547 | |
汽车运输400m | 4.48 | m3/根 | 4.48 | |
压(沉)试桩 | 28×0.4×0.4 | m3/根 | 4.48 | |
送桩 | 0.4×0.4×(2.5-0.3+0.5) | m3/根 | 0.432 | |
C40预制方桩 | ×(1+1.5%损耗率) | m3/根 | 4.547 | |
汽车运输400m | 4.48 | m3/根 | 4.48 | |
角钢接桩 | 4×0.34×6.905 | kg/个 | 9.391 | |
试桩角钢接桩 | 4×0.34×6.905 | kg/个 | 9.391 | |
(措施项目同上表,只算出总量即可) | ||||
如为购入成品桩,则以上表中桩的损耗率按1%计算。
按表2-13方法,套用计价定额,计算每个分部分项清单项目的综合单价如下表:
分部分项工程量清单项目综合单价分析表 表2-14
序号 | 项目编码或 定额编号 | 项目 名称 | 计量单位 | 工程数量 | 人工费 | 材料费 | 机械费 | 企业管理费 | 利润 | 综合 单价 |
1 | 010201001001 | 预制桩 | 根 | 1 | 263.49 | 1028.86 | 801.38 | 127.79 | 82.50 | 2306.72 |
2-11 | 压桩 | m3 | 4.48 | 52.53 | 21.15 | 382.40 | 52.19 | 34.79 | 543.06 | |
2-15 | 送桩 | m3 | 0.432 | 7.29 | 0.50 | 47.20 | 6.54 | 4.36 | 65.89 | |
4-319 | 制桩 | m3 | 4.547 | 174.26 | 988.0 | 53.47 | 27.33 | 18.22 | 1261.28 | |
4-415H | 运桩 | m3 | 4.48 | 29.41 | 19.21 | 318.31 | 41.73 | 27.83 | 436.49 | |
2 | 010201001002 | 预制桩 | 根 | 1 | 293.41 | 1028.86 | 1016.18 | 157.16 | 104.78 | 2600.39 |
2-11H | 压试桩 | m3 | 4.48 | 78.80 | 21.15 | 573.60 | 78.29 | 52.19 | 804.03 | |
2-15H | 送试桩 | m3 | 0.432 | 10.94 | 0.50 | 70.80 | 9.81 | 6.54 | 98.59 | |
4-319 | 制桩 | m3 | 4.547 | 174.26 | 988.0 | 53.47 | 27.33 | 18.22 | 1261.28 | |
4-415H | 运桩 | m3 | 4.48 | 29.41 | 19.21 | 318.31 | 41.73 | 27.83 | 436.49 | |
3 | 010201002001 | 接桩 | 个 | 1 | 7.82 | 26.83 | 10.17 | 2.16 | 1.44 | 48.42 |
2-18 | 角钢 | kg | 9.39 | 7.82 | 26.83 | 10.17 | 2.16 | 1.44 | 48.42 | |
4 | 010201002002 | 接试桩 | 个 | 1 | 11.72 | 26.83 | 15.26 | 3.24 | 2.16 | 59.21 |
2-18H | 角钢 | kg | 9.39 | 11.72 | 26.83 | 15.26 | 3.24 | 2.16 | 59.21 |
以普通压桩子目各费计算说明表中各数值的计算方法如下:
人 工 费=4.48×10.66×(1+10%风险)=52.53元/根
材 料 费=4.48×4.629×(1+2%风险)=21.15元/根
机 械 费=4.48×81.293×(1+5%风险)=382.40元/根
企业管理费=(52.53+382.40)×12%=52.19元/根
利 润=(52.53+382.40)×8%=34.79元/根
现场汽车运桩在500m以内,定额按说明乘系数0.85;施工方案选定的履带吊,定额机械费换算为:94.11+(454.25-787.64)×0.0435=79.61元/m3
运桩距离超过200m,如现场场地不适宜用汽车运输的,按施工方案采用的运输机械内容组价计算;场地修整内容列入措施费项目计算。
按照确定的综合单价,填报分部分项工程量清单计价表:
分部分项工程量清单计价表 表2-15
工程名称:XXX工程 第X页共X页
序号 | 项目编码 | 项目名称 | 计量单位 | 工程 数量 | 金额(元) | |
综合 单价 | 合价 | |||||
1 | 010201001001 | 预制钢筋混凝土桩:二级土;单桩长度14+14m,桩截面400×400;C40混凝土制作;现场运输≥350m;桩顶标高-2.5m,自然地坪标高-0.3m | 根 | 95 | 2306.72 | 212138 |
2 | 010201001002 | 预制钢筋混凝土桩:试桩;二级土;单桩长度14+14m,桩截面400×400;C40混凝土制作;现场运输≥350m;桩顶标高-2.5m,自然地坪标高-0.3m | 根 | 5 | 2600.39 | 13002 |
3 | 010201002001 | 普通方桩接桩:4 L75×6焊接, 长340mm | 个 | 95 | 48.42 | 4600 |
4 | 010201002002 | 试桩方桩接桩:4 L75×6焊接, 长340mm | 个 | 5 | 59.21 | 296 |
本页小计 | 230036 | |||||
措施项目计价:
桩制作模板未考虑现场地模不同调整因素,套用4-238定额计价,
人 工 费=454.72×58.5×(1+10%)=29261元
材 料 费=454.72×50.491×(1+2%)=23418元
机 械 费=454.72×5.502×(1+5%)=2387元
企业管理费=(29261+2387)×12%=3798元
利 润=(29261+2387)×8%=2532元
合 计=61396元
大型机械进退场及安拆费套用定额附录(二)相应价格计算,其中工料机价格标准同分部分项工程计价,按照施工取费定额,不计企管费和利润:
3000KN压桩机安拆及退场费(编号2011+3015)
人工费=[1872+1248×(1+40%)]×(1+10%)=3981元
材料费=[26.47+66.1×(1+40%)]×(1+2%)=121元
机械费=[8604.35+15711.5×(1+40%)]×(1+5%)=32130元
小计=36232元
式中:40%为机械回程费用,按定额取定比例计算,定额台次单价计价内已列入,本例按定额架线费计算基数及比例分解,列入相应费用内计算。
15t履带式起重机退场费(编号3005,其中架线费不考虑价格调整)
人工费=312×(1+25%)×(1+10%)=429元
材料费=173.54×(1+25%)×(1+2%)=221元
机械费=312×(1+25%)×(1+5%)=410元
架线费=315×(1+25%)=394元
小计=1454元/台×2台=2908原
大型机械进退场及安拆费合计:39140元 措施项目计价列表如下:
措施项目清单计价表 表2-16
工程名称:XXX工程 第X页共X页
序号 | 项目名称 | 金额(元) |
1 | 模板工程 | 61396 |
2 | 大型机械进出场及安拆 | 39140 |
3 | ······ | |
合计 | 100536 |
例6:计算例题2的清单计算预应力钢筋混凝土管桩的综合单价和涉及的措施项目计价。(投标方设定的方案:管桩向市场采购以160元/m,根据桩长采用4000KN多功能压桩机一台压桩,现场采用25t履带式起重机一台配合吊运;除管桩外,其他工料机价格按定额取定标准考虑市场价格增加幅度为人工费10%、材料费2%、机械费5%;施工取费按企业管理费12%、利润8%计算,不再考虑其他风险)
解:(1)计算分部分项清单项目综合单价
按照综合单价的计算方法,计算计价工程量有两种办法(见附表1、2)。一种办法是计算出每个清单项目计价工程量的总数量:
计价工程量计算表 附表-1
序号 | 项目名称 | 工程量计算式 | 单位 | 数量 |
分部分项项目计价工程量 | ||||
1 | 压管桩 | 2750 | m | 2750 |
2 | 送桩 | 110× (3.5-0.45+0.5) | m | 390.5 |
3 | 桩顶灌芯 | 110×(0.6-0.2)2×0.7854×1.5 | m3 | 20.73 |
4 | 钢托板 | 110×3.5/1000 | t | 0.385 |
5 | 钢骨架 | 110×38/1000 | t | 4.18 |
措施项目工程量计算 | ||||
1、桩机进退场费 | 1台(4000KN多功能压桩机) | 台次 | 1 | |
2、桩机安拆费 | 1台 | 台次 | 1 | |
3、25t履带吊进退场 | 1台 | 台次 | 1 | |
或将分部分项计价工程量折算至清单工程量每个单位的含量,如下表:
清单项目计价工程量含量计算表 附表-2
序号 | 项目名称 | 计算式 | 单位 | 数量 |
1 | 压管桩 | 25 | m/根 | 25 |
2 | 送桩 | (3.5-0.45+0.5) | m/根 | 3.55 |
3 | 桩顶灌芯 | (0.6-0.2)2×0.7854×1.5 | m3/根 | 0.1885 |
4 | 钢托板 | 3.5 | kg/根 | 3.5 |
5 | 钢骨架 | 38 | kg/根 | 38 |
(措施项目同上表,只算出总量即可) | ||||
按附表-2方法,套用计价定额,计算分部分项清单项目的综合单价:
分部分项工程量清单项目综合单价分析表 附表-3
序号 | 项目编码或 定额编号 | 项目 名称 | 计量单位 | 工程数量 | 人工费 | 材料费 | 机械费 | 企业管理费 | 利润 | 综合 单价 |
1 | 010201001001 | 管桩 | 根 | 1 | 88.4 | 4308.3 | 680.4 | 92.2 | 61.5 | 5230.8 |
2-33 | 压桩 | m | 25 | 52.5 | 4159.8 | 569.0 | 74.6 | 49.7 | 4905.6 | |
2-38 | 送桩 | m | 3.55 | 10.9 | 0.8 | 101.0 | 13.4 | 9.0 | 135.1 | |
2-89H | 灌芯 | m3 | 0.1885 | 7.5 | 39.0 | 4.2 | 1.4 | 0.9 | 53.0 | |
4-410 | 钢托板 | kg | 3.5 | 2.0 | 15.6 | 1.3 | 0.4 | 0.3 | 19.6 | |
4-398 | 钢骨架 | kg | 38 | 15.5 | 93.1 | 4.9 | 2.4 | 1.6 | 117.5 |
以压桩子目各项费用计算说明表中各数值的计算方法如下(套2-33定额):
人 工 费=25×1.95×(1+10%风险)=52.5元/根
材 料 费=25×[132.8299+(160-130)×1.01]×(1+2%风险)=4159.8元/根
机 械 费=25×21.6766×(1+5%风险)=569.0元/根
企业管理费=(52.52+569.01)×12%=74.6元/根
利 润=(52.52+569.01)×8%=49.7元/根
小 计=4905.6元/根
按照确定的综合单价,填报分部分项工程量清单计价表:
分部分项工程量清单计价表 附表-4
工程名称:XXX工程 第X页共X页
序号 | 项目编码 | 项目名称 | 计量单位 | 工程 数量 | 金额(元) | |
综合 单价 | 合价 | |||||
1 | 010201001001 | C50钢筋混凝土预应力管桩,外径φ600、壁厚100,共110根,每根总长25m,桩顶标高-3.5m,自然地坪标高-0.45m,桩顶端灌注C30砼1.5m高,每根桩顶构造钢托板3.5kg、圆钢骨架38kg | 根 | 110 | 5230.8 | 575388 |
(2)措施项目计价
本工程涉及桩基础施工的大型机械进退场及安拆费套用定额附录(二)相应价格计算,其中工料机价格标准同分部分项工程计价,按照施工取费定额,不计企管费和利润。
4000KN多功能压桩机安拆及退场费(编号2012+3016)
人工费=[2184+1248×(1+40%)]×(1+10%)=4324元
材料费=[30.25+66.1×(1+40%)]×(1+2%)=125元
机械费=[10751.72+18242.06×(1+40%)]×(1+5%)=38105元
小计=42554元
式中:40%为机械回程费用,按定额取定比例计算,定额台次单价计价内已列入,本例按定额架线费计算基数及比例分解,列入相应费用内计算。
25t履带式起重机退场费(编号3005,其中架线费不考虑价格调整)
人工费=312×(1+25%)×(1+10%)=429元
材料费=173.54×(1+25%)×(1+2%)=221元
机械费=3115.82×(1+25%)×(1+5%)=4090元
架线费=315×(1+25%)=394元 小计=5134元
大型机械进退场及安拆费合计:47688元,列入措施项目计价表。
例7:按照例3提供的工程量清单项目,计算“钻孔灌注桩”的综合单价。(混凝土按商品水下砼考虑计价)
解:经计价人确定商品砼按285元/m3、其余按照定额取定工料机价格计算,企管费按10%、利润按8%计算,不再考虑市场风险。
(1)按照清单工程特征结合本省工程量清单计价指引列项并计算工程量。
①.钻孔桩成孔:按直筒(按入岩与否划分)、凹底三个部分计算
V1=120×0.62×3.14×(49.8―1.7-0.45)=6463.63m3
V2=120×0.62 ×3.14×1.5=203.47 m3
V3=120×(3×0.62+0.22)×3.14×0.2÷6=14.07 m3
成孔工程量 ∑Vk=6681.17m3 其中:入岩V4=217.54m3
②.商品水下混凝土灌注:直筒部分扣除空钻部分,凹底同上
空钻部分V5=120×0.62×3.14×(4.8-加灌1.5-0.45)=386.60m3
∴成桩工程量Vz=6681.17-386.60=6294.57 m3
③.泥浆池建造和拆除、泥浆外运:Vn=6681.17m3
(2)套用计价定额,计算综合单价:
①.钻孔桩成孔(基本成孔加入岩增加) 套用2-59+62定额计价:
人工费=6681.17×33.54+217.54×172.12=261529元
材料费=6681.17×10.299+217.54×1.808=69203元
机械费=6681.17×74.891+217.54×256.168=556086元
小计:886818元
②.C30商品水下混凝土灌注 套用2-74H定额计价:
人工费=6294.57×5.98=37642元
材料费=6294.57×[320.378+(285-266.06)×1.2]=2159705元
小计:2197346元
③.泥浆池建造和拆除、泥浆外运 套用2-77+78定额计价:
人工费=6681.17×(1.04+14.508)=103879元
材料费=6681.17×(1.317+0 )=8799元
机械费=6681.17×(0.018+47.779)=319340元
小计:432018元
④.(企管费+利润)综合费用:
¥=(261529+556086+37642+103879+319340)×(10%+8%)
=1278476×18%=230126元
①~④合价=886818+2197346+432018+230126=3746308元
⑤.综合单价=3746308元÷3600m=1040.64元/m
例8:某工程招标中的深层水泥搅拌桩工程量清单如下表,投标人根据设定的投标计价方案为:人工35元/工日,水泥280元/t,其他材料按计价定额不变,机械费按定额标准降低5%计算;企业管理费按10%、利润按8%计算,不再考虑其他风险因素。计算该搅拌桩的综合单价。
分部分项工程量清单 表2-18
工程名称:XXX工程 第X页共X页
序号 | 项目编码 | 项目名称 | 计量单位 | 工程数量 |
1 | 010202004001 | 深层水泥搅拌桩:共80根,桩顶标高-2.0m,桩底标高-12m,自然地面标高0.2m,桩截面0.8m2;加固土重2t/m3,水泥掺量15%,水泥强度32.5级;设计要求双头喷浆施工 | m | 800 |
解:根据清单描述的特征,参照本省工程量清单指引,列出组合内容,计算工程量。
搅拌桩搅拌工程量V1=80×0.8m2×(12-2+0.5)=537.6m3
空搅工程量 V2=80×0.8m2×(2+0.2-0.5)=87.04 m3
套用2-102定额计价,按照设计要求调整水泥用量,加固土重为2000kg/m3,水泥掺量15%,则:水泥用量=2000×15%×(1+损耗率1%)=303kg/m3
水泥浆拌制所用配合比材料(石膏粉、木质素磺酸钙、硅酸钠和水)均按水泥用量同比例调整,水泥价格同时调整。每m3搅拌桩:
材料费=(74.146-1.5)×303÷236.3+1.5+(0.28-0.271)×303=97.38元/m3
人工费=35元×0.28工日=9.8元/m3
机械费=13.384×(1-5%)=12.71元/m3
每m3空搅部分:人工费=35元×0.28工日×0.5=4.9元/m3
机械费=0.028×316.75×(1-5%)×0.5=4.21元/m3
∴搅拌桩清单工程量每m价格为:
人工费=(537.6×9.8+87.04×4.9)÷800=7.12元/m
材料费=(537.6×97.38+87.04×0)÷800=65.44元/m
机械费=(537.6×12.71+87.04×4.21)÷800=9.00元/m
综合费用=(7.12+9.00)×(10%+8%)=2.90元/m
综合单价=7.12+65.44+9.00+2.90=84.46元/m
一、砌筑工程工程量清单编制例题
例1:如图某工程M7.5水泥砂浆砌筑MU15水泥实心砖墙基(砖规格240×115×53)。编制该砖基础砌筑项目清单。(提示:砖砌体内无砼构件)
例1 附图

说明:~轴为Ⅰ-Ⅰ截面,、轴为Ⅱ-Ⅱ截面;基底垫层为C10砼,附墙砖垛凸出半砖,宽一砖半。
解:该工程砖基础有两种截面规格,为避免工程局部变更引起整个砖基础报价调整的纠纷,应分别列项。工程量计算:
Ⅰ-Ⅰ截面砖基础长度:砖基础高度:H=1.2m
L=7×3-0.24+2×(0.365-0.24)×0.365÷0.24=21.14m
其中:(0.365-0.24)×0.365÷0.24为砖垛折加长度
大放脚截面:S=n(n+1)ab=4×(4+1)×0.126×0.0625=0.1575m2
砖基础工程量:V=L(Hd+s)-VO
=21.14×(1.2×0.24+0.1575)=9.42m3
垫层长度:L=7×3-0.8+2×(0.365-0.24)×0.365÷0.24=20.58m
(内墙按垫层净长计算)
Ⅱ-Ⅱ截面:砖基础高度:H=1.2m L=(3.6+3.3)×2=13.8m
大放脚截面:S=2×(2+1)×0.126×0.0625=0.0473m2
砖基础工程量:V=13.8×(1.2×0.24+0.0473)=4.63 m3
外墙基垫层、防潮层工程量可以在项目特征中予以描述,这里不再列出。
工程量清单见下表:
分部分项工程量清单 表3-1
序号 | 项目编码 | 项目名称 | 计量单位 | 工程 数量 |
1 | 010301001001 | Ⅰ-Ⅰ砖墙基础:M7.5水泥砂浆砌筑(240×115×53)MU15水泥实心砖一砖条形基础,四层等高式大放脚;-1.2m基底下C10砼垫层,长20.58m,宽1.05m,厚150mm;-0.06m标高处1:2防水砂浆20厚防潮层 | m3 | 9.42 |
2 | 010301001002 | Ⅱ-Ⅱ砖墙基础:M7.5水泥砂浆砌筑(240×115×53)MU15水泥实心砖一砖条形基础,二层等高式大放脚;-1.2m基底下C10砼垫层,长13.8m,宽0.8m,厚150mm;-0.06m标高处1:2防水砂浆20厚防潮层 | m3 | 4.63 |
例2:某工程实心砖墙工程量清单示例如下表:
砌筑工程工程量清单 表3-2
序号 | 项目编码 | 项目名称 | 计量单位 | 工程数量 |
1 | 010302001001 | 实心砖外墙:Mu10水泥实心砖,墙厚一砖,M5.0混合砂浆砌筑 | m3 | 120 |
2 | 010302001002 | 实心砖窗下外墙:Mu10水泥实心砖,墙厚3/4砖,M5.0混合砂浆砌筑;外侧1:2水泥砂浆加浆勾缝 | m3 | 8.1 |
3 | 010302001003 | 实心砖内隔墙:Mu10水泥实心砖,墙厚3/4砖,M5.0混合砂浆砌筑(墙顶现浇楼板长度24.6m,板厚120mm) | m3 | 60 |
因窗下墙单独采用加浆勾缝,砌体计价组合内容与内隔墙不同,故单独列项;
例3:零星砌砖清单实例
砌筑工程工程量清单 表3-3
序号 | 项目编码 | 项目名称 | 计量单位 | 工程数量 |
1 | 010302006001 | 砖砌台阶:碎石垫层,M5.0水泥砂浆砌筑Mu10水泥实心砖,上150×3步,含平台;1:3水泥砂浆基层,1:2水泥砂浆铺贴花岗岩面层,展开面积9.8m2,其中平台4.24m2 | m2 | 8 |
2 | 010302006002 | 砖砌落地污水池:M5.0水泥砂浆砌筑水泥实心砖,水池外形尺寸620×620×300,内空514×514×240;内外1:3水泥砂浆基层,150×200×5瓷砖贴面。 | 个 | 12 |
例4:某工程室外排水附属工程5#砖砌化粪池2座,内径620×620砖砌窨井34座,设计采用浙S1-91标准图集,按设计选定内容和型号编制清单具体编制的清单见下表。
砌筑工程工程量清单 表3-4
序号 | 项目编码 | 项目名称 | 计量单位 | 工程数量 |
2 | 010303003001 | 砖砌窨井:浙S1-91图集第12页,Mu10水泥实心砖M5.0水泥砂浆砌筑井壁,厚240,内径620×620,平均井深1.56m,850×850×70复合塑钢井圈、井盖;土方列入管道铺设工程,其余做法按图集。 | 座 | 34 |
3 | 010303004001 | 5#砖砌化粪池:浙S1-91图集第9页,Mu10水泥实心砖M5.0水泥砂浆砌筑;池顶覆土深0.7m,池坑三类土开挖,土方深3m,地下水位线深2m;每座D700复合塑钢井盖3只;其余做法按图集;每座余土34m3外运2km。 | 座 | 2 |
二、砌筑工程工程量清单计价例题
例5:计算例1提供的砖砌基础工程量清单项目的综合单价。
假设计价人根据取定的工料机价格按《浙江省建筑工程预算定额》03版取定价为准(未含市场风险),水泥实心砖价格同标准砖;综合费用按《浙江省建筑按照工程施工取费定额》03版三类工业建筑工程的中值计算(以人工费和机械费之和为计费基数:企业管理费17%、利润11%),经市场调查和计价方决策,考虑市场风险幅度,工料机在上述取价基础上调整增加:人工20%、材料3%、机械5%,在计价时列入工料机单价内一并考虑。
解:因计价定额与规范砖砌基础工程量计算规则基本一致,计价时主项工程量不需重新计算,只对组合内容进行计算。
1、计价工程量计算。
Ⅰ-Ⅰ截面:C10砼垫层:V=20.58×1.05×0.15=3.24m3
防水砂浆防潮层的工程量需要计算砖基长度,可以结合项目特征从清单工程量倒算出:L=9.42÷[1.2×0.24+4×(4+1)×0.126×0.0625]=21.14m
∴防潮层:S=21.14×0.24=5.07m2
Ⅱ-Ⅱ截面:因该截面均为外墙,垫层与防潮层同一个计算长度
L=4.63÷[1.2×0.24+2×(2+1)×0.126×0.0625]=13.8m
∴C10砼垫层:V=13.8×0.8×0.15=1.66m3
防潮层:S=13.8×0.24=3.31m2
2、计算分部分项工程量清单综合单价:
以清单工程量“1”为单位,分析计算项目的综合单价,具体方法是:套用03版《浙江省建筑工程预算定额》进行计价,按题意设定的价格标准及定额工料机消耗量计算人工费、材料费、机械费,项目特征中砂浆、砼强度等级与定额不同,查定额附录(一)计算每m3消耗量价差后调整材料费。
定额子目工料机项目单价考虑市场风险确定如下,
砖基础砌筑 套用3-13定额:
人工费=28.6×(1+20%)=34.32元/m3
材料费=[141.738+(128.51-131.02)×0.23]×(1+3%)=145.40元/m3
机械费=1.698×(1+5%)=1.78元/m3
C10砼垫层(按现拌现捣考虑,模板在措施项目内计价)套用4-125定额:
人工费=27.04×(1+20%)=32.45元/m3
材料费=[164.889+(129.11-158.96)×1.015]×(1+3%)=138.63元/m3
机械费=4.388×(1+5%)=4.61元/m3
砖基础1:2防水砂浆防潮层 套用7-96定额:
材料费=5.9588×(1+3%)=6.14元/m2
机械费0.1564×(1+5%)=0.16元/m2
按照计价规则计算综合费用,具体计算结果见表3-11,表中的子项工程数量为折算到清单一个计量单位工程量的含量,按子项工程量÷清单工程量计算得。
砌筑工程工程量清单项目综合单价分析表 表3-5
序号 | 项目编码或定额编号 | 项目 名称 | 计量单位 | 工程数量 | 人工费 | 材料费 | 机械费 | 企业管理费 | 利润 | 综合单价 |
1 | 010301001001 | Ⅰ-Ⅰ砖基 | m3 | 1 | 45.67 | 197.17 | 3.47 | 8.35 | 5.41 | 260.07 |
3-13H | 砌砖 | m3 | 1 | 34.32 | 145.40 | 1.78 | 6.14 | 3.97 | 191.61 | |
4-125H | 砼垫层 | m3 | 0.35 | 11.35 | 48.52 | 1.61 | 2.20 | 1.43 | 65.11 | |
7-96 | 防潮层 | m2 | 0.53 | 3.25 | 0.08 | 0.01 | 0.01 | 3.35 | ||
2 | 010301001002 | Ⅱ-Ⅱ砖基 | m3 | 1 | 46.00 | 199.73 | 3.56 | 8.43 | 5.45 | 263.17 |
3-13H | 砌砖 | m3 | 1 | 34.32 | 145.40 | 1.78 | 6.14 | 3.97 | 191.61 | |
4-125H | 砼垫层 | m3 | 0.36 | 11.68 | 49.91 | 1.66 | 2.27 | 1.47 | 66.99 | |
7-96 | 防潮层 | m2 | 0.72 | 4.42 | 0.12 | 0.02 | 0.01 | 4.47 |
按上表计算的综合单价填入清单计价表,计算清单项目合价。综合单价的计算也可按例题7的方法计算得到。
例 6:按照例题2提供的实心砖墙工程量清单及例题6除水泥实心砖价格以外的条件,计算实心砖墙清单项目的综合单价;水泥实心砖按市场询价以310元/千块计算,价格浮动风险条件同前。
解:本清单计价项目有三个,计价人根据清单提供的工程量,结合采用的计价定额进行分析计算各项工料机费用,然后按题意计算各清单项目的合价,得出单位清单项目的综合单价。
1. M5.0混合砂浆砌筑Mu10水泥实心砖一砖厚外墙
套用3-21定额:
人工费=120m3×37.7元/m3×(1+20%)=5428.80元
材料费=120×[143.184+(310-211)×0.529]×(1+3%)=24170.60元
机械费=120×1.743×(1+5%)=219.62元
企业管理费=(5428.8+219.62)×17%=960.23元
利润=(5428.8+219.6)×11%=621.33元
项目合价=31400.58元 ∴综合单价=31400.58÷120=261.67元/m3
2.M5.0混合砂浆砌筑Mu10水泥实心砖3/4砖厚窗下外墙,单面1:2水泥砂浆勾缝:
该项目因规范与定额计算墙厚的规则不同及墙外侧做勾缝,需计算计价工程量。
3/4砖墙体砌筑计价工程量=8.1×178÷180=8.01m3
墙外勾缝工程量=8.1÷0.18=45m2
砌筑套用3-22定额、勾缝套用11-22定额进行换算:
砌筑材料费单位价格=143.278+(310-211)×0.54=196.74元/m3
勾缝材料费单位价格=0.1393+(207.70-246.13)×0.05/100=0.12元/m2
人工费=(8.01×43.94+45×2.538)×(1+20%)=559.40元
材料费合计=(8.01×196.74+45×0.12)×(1+3%)=1628.73元
机械费=(8.01×1.654+45×0.36/100)×(1+5%)=14.08元
企业管理费=(559.40+14.08)×17%=97.49元
利润=(559.40+14.08)×11%=63.08元
项目合价=2362.78元 ∴综合单价=2362.78÷8.1=291.70元/m3
3.M5.0混合砂浆砌筑Mu10水泥实心砖3/4砖厚内隔墙
因墙体工程量计算规则对墙厚及扣板体积的不同,需按照清单描述数据对清单工程量作一定调整后再套用定额进行计价。
定额砌筑工程量=(计算至楼板顶工程量-墙上楼板所占体积)×厚度比=(60-24.6×0.12×0.18)×178÷180=58.81m3
套用3-22定额:
人工费=58.81×43.94×(1+20%)=3100.93元
材料费=58.81×[143.278+(310-211)×0.54]×(1+3%)=11917.27元
机械费=58.81×1.654×(1+5%)=102.14元
企业管理费=(3100.93+102.14)×17%=544.52元
利润=(3100.93+102.14)×11%=352.34元
项目合价=16017.20元 ∴综合单价=16017.20÷60=266.95元/m3
分部分项工程量清单计价表 表3-6
序号 | 项目编码 | 项目名称 | 计量单位 | 工程数量 | 金额(元) | |
综合单价 | 合价 | |||||
1 | 010302001001 | 实心砖外墙:Mu10水泥实心砖,墙厚一砖,M5.0混合砂浆砌筑 | m3 | 120 | 261.67 | 31400 |
2 | 010302001002 | 实心砖窗下外墙:Mu10水泥实心砖,墙厚3/4砖,M5.0混合砂浆砌筑;外侧1:2水泥砂浆加浆勾缝 | m3 | 8.1 | 291.70 | 2363 |
3 | 010302001003 | 实心砖内隔墙:Mu10水泥实心砖,墙厚3/4砖,M5.0混合砂浆砌筑(墙顶现浇楼板长度24.6m,板厚120mm) | m3 | 60 | 266.95 | 16017 |
上表为清单计价必须填报的,按照招标文件规定应另行提供同例6的综合单价分析表或计算表(另详)
例 7:按例4提供的工程量清单,计算化粪池综合报价。清单描述为:5#砖砌化粪池:浙S1-91图集第9页,Mu10水泥实心砖M5.0水泥砂浆砌筑;池顶覆土深0.7m,池坑三类土开挖,土方深3m,地下水位线深2m;每座D700复合塑钢井盖3只;其余做法按图集;每座余土34m3外运2km。
解:按照浙S1-91标准图集、清单项目特征及表6-16参数,结合人工挖土、汽车运土等施工方案,计算每座池调整增加工程数量。
土方工程量 (井旁进出口所附井坑挖土在工作面内考虑,工作面按每侧1m考虑) :V总=(6.02+2+3×0.33)×(2.34+2+3×0.33)×3+33×0.332/3=153.99m3
其中湿土:
V湿=(6.02+2+1×0.33)×(2.34+2+1×0.33)×1+13×0.332/3=20.89m3
按定额编制考虑的参数表,计算土方增减工程量量:
挖三类干土V干=153.99-20.89―(98.31―51.14)=85.93 m3
挖三类湿土V湿=20.89-51.14=-30.25 m3
土方回填V填=153.99-34-65.53=54.46 m3
按照定额使用说明不考虑覆土做法,经比较不覆土做法,假设计算得因覆土做法增加的上口砌筑浇捣工作量:砖砌井壁:1.45m3,池盖井圈浇捣0.5m3,井壁抹灰19.5m2 ;按清单描述增加土方外运34 m3,D700复合塑钢井盖3只。
土方外运按施工方案以人工装土、汽车运土考虑,水泥实心砖、井盖分别参照定额取定标准砖、铸铁井盖价格计算,混凝土按现拌现捣计价,钢筋与模板、湿土排水分别另行列项计价。
工料机价格按定额取定、不考虑风险因素,企业管理费和利润分别按20%和14%计算。综合单价计价见下表:
分部分项工程综合单价计算表 表3-7
工程名称:XX建筑工程 计量单位:座
项目编码:010303004001 工程数量:2
项目名称:砖砌化粪池 综合单价:13235.26元
序号 | 定额编号 | 工程内容 | 计量单位 | 工程数量 | 人工费 | 材料费 | 机械费 | 企业管理费 | 利润 | 综合单价 |
9-50H | 标准砖砌化粪池 | 座 | 2 | 8959.6 | 7271.69 | 712.32 | 1934.38 | 1354.07 | 20232.06 | |
9-103 | 塑钢复合井盖 | 套 | 6 | 31.2 | 1389.3 | 0.54 | 6.35 | 4.44 | 1431.83 | |
1-14 | 人工挖三类干土 | m3 | 171.86 | 1942.71 | 388.54 | 271.98 | 2603.23 | |||
1-14H | 人工挖三类湿土 | m3 | -60.5 | -806.99 | -161.40 | -112.98 | -1081.37 | |||
1-24 | 人工就地夯填土方 | m3 | 108.92 | 436.55 | 50.36 | 97.38 | 68.17 | 652.46 | ||
1-67+69+70 | 人工装土,汽车外运 | m3 | 68 | 239.9 | 401.70 | 128.32 | 89.82 | 859.74 | ||
3-30H | M5.0水泥砂浆 砖砌井壁 | m3 | 2.9 | 153.06 | 410.04 | 4.54 | 31.52 | 22.06 | 621.22 | |
11-45 | 井壁水泥砂浆抹灰 | m2 | 39 | 500.53 | 180.39 | 7.14 | 101.53 | 71.07 | 860.66 | |
4-152 | C20砼现捣池盖井圈 | m3 | 1 | 56.68 | 200.53 | 10.60 | 13.46 | 9.42 | 290.69 | |
合计 | 元 | 11513.24 | 9451.95 | 1187.20 | 2540.08 | 1778.05 | 26470.52 |
9-50H 每只井盖:扣人工0.1工日,C30(20)预制混凝土0.032m3,其他材料费1.4元,其他机械费1.5元。每只池3套,共6套。1-14H:挖湿土定额乘以1.18系数。3-30H:M5.0混合砂浆换算成水泥砂浆材料费调整(123.09-131.02)×0.211;
综合单价=26470.52÷2=13235.26元
例8:某砖砌散水工程量清单如下表,按清单指引计算其工料机费用(假设价格标准同03定额取定)。 表3-8
项目编号 | 项目名称 | 计量单位 | 工程数量 |
010306001001 | 砖砌散水:基底土方平整、二遍夯实,基层碎石干铺垫层厚60mm,M5.0水泥砂浆平砌标准砖厚60mm,砖缝1:1水泥砂浆加浆勾缝 | m2 | 60 |
解:按清单工程内容及其项目特征计算各组合子目的工料机费单位项目价格
1.基底土方平整:S=60m2 套用1-21定额 人工费1.296元/m2
2.原土打夯:S=60m2 套用1-22定额
人工费0.216元/m2、机械费0.0925元/m2
3.碎石干铺垫层(上有砌筑):V=60×0.06=3.6m3 套用3-9定额
因干铺垫层上有砌筑工程,按照定额附注增加
M5.0混合砂浆材料费:0.05 m3/ m3×131.02元/m3=6.55元/m3
灰浆搅拌机机械费:0.008台班/ m3×44.69元/台班=0.358元/m3
调整后的人工费13.26元/m3、材料费59.48+6.55=66.03元/m3、
机械费0.925+0.358=1.28元/m3
4.M5.0水泥砂浆平砌标准砖散水:V=60×0.06=3.6m3 套用3-30定额
人工费52.78元/m3、机械费1.564元/m3
采用水泥砂浆与定额不同,换算砂浆种类,查定额附录一 编号8单价
材料费=143.066+(123.09-131.02)×0.211=141.39元/m3
5.砖散水1:1水泥砂浆加浆勾缝:S=60m2 套用11-22定额
人工费2.538元/m2、材料费0.1393元/m2、机械费0.0036元/m2
按以上单位项目价格乘以工程量计算工料机费如下表:
砖散水工料机费计算表 表3-9
工程内容 | 基底土方平整 | 原土打夯 | 碎石干铺垫层(上有砌筑) | M5.0水泥砂浆平砌标准砖散水 | 砖散水1:1水泥砂浆加浆勾缝 | 合计 | |
定额编号 | 1-21 | 1-22 | 3-9H | 3-30H | 11-22 | ||
单位 | m2 | m2 | m3 | m3 | m2 | m2 | |
工程数量 | 60 | 60 | 3.6 | 3.6 | 60 | 60 | |
人工费 | 元 | 77.76 | 12.96 | 47.74 | 190.01 | 152.28 | 480.75 |
材料费 | 237.71 | 509.00 | 8.36 | 755.07 | |||
机械费 | 0.56 | 4.61 | 5.63 | 0.22 | 11.02 | ||
该散水组合后的综合人工、材料、机械单位项目单价是:
人工费:480.75÷60=8.01元/m2 材料费:755.07÷60=12.58元/m2
机械费:11.02÷60=0.18元/m2
砼及钢筋砼工程工程量清单编制例题
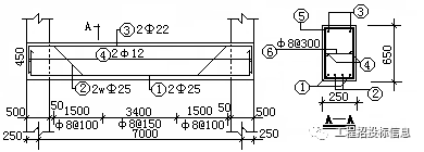
例1:按照土石方工程例题2提供的基础图,计算混凝土墙基和柱基清单工程量,并编列项目清单。
解:根据本工程基础类型和断面规格,应分别按1-1、2-2和J-1应分别列项。工程量计算:
断面1-1:L=(10+9)×2-1.0×6+0.38=32.38m (0.38为垛折加长度)
墙基基本体积V=32.38×[1.2×0.2+(1.2+0.3)×0.05÷2+0.3×0.35]=12.39m3
根据基础的高度,可知墙基上部250mm高度的梁与J-1搭接,其搭接长度为
0.8÷0.35×0.25=0.571m ,共有6个搭接部位。
∴搭接体积:V=0.571×0.3×0.25÷2×6=0.13m3
1—1断面墙基工程量小计:V=12.52 m3
断面2-2:L=9-0.6×2+0.38=8.18m
墙基基本体积V=8.18×[1.4×0.2+(1.4+0.3)×0.05÷2+0.3×0.35]=3.50m3
与1-1断面搭接长度=(1.2-0.3)÷2=0.45m 共有2个搭接部位,
搭接体积:V=0.45×[(1.4-0.3)×0.05÷3+0.3×0.35]×2=0.11m3
2—2断面墙基工程量小计:V=3.61 m3
J-1:为四棱台独立柱基,体积:
V=[2×2×0.35+(2×2+2×0.4+0.4×0.4)×0.35÷3]×3只=5.94m3
根据工程量清单格式,编列该工程基础工程量清单(见表4-4):
4、应注意的问题
(1)基础与上部结构的划分以混凝土基础上表面为界;基础与垫层如设计不明确时,以厚度划分:15cm以内的为垫层,15cm以上的为基础。
分部分项工程量清单 表4-1
序号 | 项目编码 | 项目名称 | 计量单位 | 工程数量 |
1 | 010401001001 | C20钢筋砼有梁式带形基础:底宽1.2m,厚200,锥高0.05m,梁高350,宽300,基底长32.38m;C10砼垫层,宽度1.4m,厚0.1m | m3 | 12.52 |
2 | 010401001002 | C20钢筋砼有梁式带形基础:底宽1.4m,厚200,锥高0.05m,梁高350,宽300,基底长8.18m;C10砼垫层,宽度1.6m,厚0.1m | m3 | 3.61 |
3 | 010401002001 | C20钢筋砼独立柱基(共3只):基底2m×2m,厚0.35m,顶面0.4m×0.4m,锥高0.35m;基底C10砼垫层2.2m×2.2m,厚0.1m | m3 | 5.94 |
例2:表4-2为某工程设计平法标注框架柱表,试计算KZ1、KZ2清单工程量并编列项目清单。
解:按照题意资料,该工程框架柱列项应按断面形式分为矩形柱和圆形柱,矩形柱按断面周长应分为1.8m以上、1.8m以内和1.2m以内三种,而1.8m以上在底层部分因层高超过3.6m,也应分别列项。
KZ1、KZ2柱表 表4-2
柱号 | 标高 | 断面 | 备 注 |
KZ1 | -1.5~8.07 | 500×500 | 一层层高4.5m,二~五层层高3.6m,六层~七层层高3m;各层平面外围尺寸相同,檐高25m。 KZ1共24只,KZ2共10只 砼强度等级均为C30 |
8.07~15.27 | 450×400 | ||
15.27~24.87 | 300×300 | ||
KZ2 | -1.5~4.47 | φ500 | |
4.47~8.07 | 500×500 | ||
8.07~15.27 | 450×400 | ||
15.27~24.87 | 300×300 |
工程量计算:
(1)±0.00以下工程量
矩形柱(断面周长1.8m以上)
KZ1 V=0.5×0.5×1.5×24=9 m3
圆形柱(断面φ50cm)
KZ2 V=0.25×0.25×3.1416×1.5×10=2.95m3
(2)矩形柱(断面周长1.8m以上,层高3.6m以内):
KZ1 V=0.5×0.5×(8.07-4.47)×24=21.6m3
KZ2 V=0.5×0.5×(8.07-4.47)×10=9m3
小计:V=30.6m3
(3)矩形柱(断面周长1.8m以上,层高4.5m):
KZ1 V=0.5×0.5×4.47×24=26.82m3
(4)矩形柱(断面周长1.8m以内,层高3.6m以内):
KZ1 V=0.45×0.4×(15.27-8.07)×24=31.1m3
KZ2 V=0.45×0.4×(15.27-8.07)×10=12.96m3
小计:V=44.06m3
(5)矩形柱(断面周长1.2m以内,层高3.6m以内):
KZ1 V=0.3×0.3×(24.87-15.27)×24=20.74m3
KZ2 V=0.3×0.3×(24.87-15.27)×10=8.64m3
小计:V=29.38m3
(6)圆形柱(断面φ50cm,层高4.5m):
KZ2 V=0.25×0.25×3.1416×4.47×10=8.78m3
清单项目列表(见表4-3):
分部分项工程量清单 表4-3
序号 | 项目编码 | 项目名称 | 计量 单位 | 工程数量 |
1 | 010402001001 | C30钢筋混凝土现浇矩形柱,断面周长1.8m以上,±0.00以下,深1.5m | m3 | 9.0 |
2 | 010402001002 | C30钢筋混凝土现浇矩形柱,断面周长1.8m以上,层高3.6m以内,柱高24.87m | m3 | 30.6 |
3 | 010402001003 | C30钢筋混凝土现浇矩形柱,断面周长1.8m以上,层高4.5m,柱高24.87m | m3 | 26.82 |
4 | 010402001004 | C30钢筋混凝土现浇矩形柱,断面周长1.8m以内,层高3.6m以内,柱高24.87m | m3 | 44.06 |
5 | 010402001005 | C30钢筋混凝土现浇矩形柱,断面周长1.2m以内,层高3.6m以内,柱高24.87m | m3 | 29.38 |
6 | 010402002001 | C30钢筋混凝土现浇圆形柱,断面直径φ50cm,±0.00以下,深1.5m | m3 | 2.95 |
7 | 010402002002 | C30钢筋混凝土现浇圆形柱,断面直径φ50cm,层高4.5m,柱高24.87m | m3 | 8.78 |
注:表中列入的柱高,作计算建筑物超高施工增加费,如单位工程工程量清单将建筑物超高施工增加费单独列项的,则可不予描述柱高。
例3:某工程二层楼面结构结构如图7-14,已知楼层标高为4.5m,砼强度等级C30,①~③轴楼板厚120mm,③~④轴楼板厚90mm。计算该楼面梁、板清单工程量及编列清单。
图4-1 :二楼结构平面

解:该楼面③~④轴间井字格面积为4.86m2≤5m2,梁、板合并计算,②~③间>5m2,为一般板,梁、板分别列项计算。
(1)工程量计算见下表:
工程量计算表 表4-4
构件号 | 计算式 | 单位 | 数量 | 备注 | |
梁 | KL1 | (11.04-0.45×3)×0.7×0.25×4 | m3 | 6.78 | 梁0.6m上 |
KL2 | (14.04-0.45×4)×0.85×0.3×2 | m3 | 6.24 | 梁0.6m上 | |
KL3 | (14.04-0.45×4)×0.6×0.3 | m3 | 2.20 | 梁0.6m内 | |
LL1 | (11.04-0.3×3)×0.6×0.25 | m3 | 1.52 | 梁0.6m内 | |
LL2 | (11.04-0.3×3-0.25×2)×0.35×0.2×2 | m3 | 1.35 | 井字板 | |
LL3 | (5.4-0.125-0.13)×0.45×0.25×2 | m3 | 1.16 | 井字板 | |
板 | ①-③ | (8.4-0.13-0.25×2-0.125) ×(11.04-0.3×3)×0.12 | m3 | 9.3 | 平板 |
③~④ | (5.4-0.125-0.2×2-0.13) ×(11.04-0.3×3-0.25×2)×0.09 | 4.12 | 井字板 | ||
按照构件特征不同,该楼面梁、板按以下四个项目列项:
矩形梁(梁高0.6m以上)V=6.78+6.24=13.02m3
矩形梁(梁高0.6m以内)V=2.2+1.52=3.74 m3
井字有梁板V=1.35+1.16+4.12=6.63 m3
平板(板厚120mm)V=9.3 m3
(2)工程量清单编列如下表:
分部分项工程量清单 表4-5
序号 | 项目编码 | 项目名称 | 计量单位 | 工程 数量 |
1 | 010403002001 | 矩形梁:C30钢筋混凝土,梁高0.6m上,层高4.5m | m3 | 13.02 |
2 | 010403002002 | 矩形梁:C30钢筋混凝土,梁高0.6内,层高4.5m | m3 | 3.74 |
3 | 010405001001 | 井字有梁板:C30钢筋混凝土,层高4.5m | m3 | 6.63 |
010405003001 | 平板:C30钢筋混凝土,板厚120mm,层高4.5m | m3 | 9.3 |
例4:图4-2为板式楼梯,C25钢筋混凝土,计算该楼梯清单工程量及编列项目清单。
解:因休息平台外为墙体,按墙内净面积计算,(不包括嵌入墙内的平台梁),楼梯井宽度小于500mm,不予扣除。因上下两跑在平台上错开,故按单跑楼梯乘以每跑宽度计算工程量:
第一跑长度L=2.24+1.74-0.12=3.86m
第二跑长度L=1.5-0.12+2.24+0.24=3.86m
S=3.86×2跑×(3-0.24)/2=10.65m2
编列项目清单见表4-13:
分部分项工程量清单 表4-6
序号 | 项目编码 | 项目名称 | 计量单位 | 工程 数量 |
1 | 010406001001 | 直形板式楼梯:C25钢筋混凝土,底板厚0.2m | m2 | 10.65 |
例5:某工业建筑,檐高14.2m,图纸设计预制过梁列表如下,按照设计提供的标准图集计算清单工程量和编列项目清单。

图4-2 楼梯平、剖面
某工程预制构过梁数量表 表4-7
序号 | 构件名称 | 件数 | 采用图集 | 单件体积 | 备注 | |
1 | 过梁 C20 | GL4123 | 10 | 03G322 | 0.073 | 梁高180mm |
2 | GL4124 | 6 | 0.073 | |||
3 | GL4182 | 12 | 0.099 | |||
4 | GL4183 | 10 | 0.132 | 梁高240mm | ||
5 | GL4184 | 20 | 0.132 | |||
解:预制过梁可以按自然单位计量。过梁长度相同而高度不同,或高度相同而长度不同的均以单根体积划分,分别编码列项。
C20钢筋砼预制过梁工程量计算:
单根体积为0.073 m3/根的10+6=16根、0.099m3/根的12根
0.132 m3/根的10+20=30根
编列项目清单如下表:
分部分项工程量清单 表4-8
序号 | 项目编码 | 项目名称 | 计量单位 | 工程量 |
1 | 010410003001 | C20钢筋砼预制过梁制、运、安: 梁断面尺寸240×180,单根体积0.073 m3 | 根 | 16 |
2 | 010410003002 | C20钢筋砼预制过梁制、运、安: 梁断面尺寸240×180,单根体积0.099 m3 | 根 | 12 |
3 | 010410003003 | C20钢筋砼预制过梁制、运、安: 梁断面尺寸240×240,单根体积0.132 m3 | 根 | 30 |
例6:计算图4-3贮水池工程量并编列项目清单。
解:不考虑土石方及其他相关项目工程,该水池计算列项内容有:池底、池壁两项。

图4-3 水池剖面图
工程量计算如下:
C25/P8钢筋砼池底:
V=15×20×0.3+(15+20-0.2×2)×2×0.2×0.2/2=91.38m3
池底C15砼垫层:
V=(15+0.3)×(20+0.3)×0.1=31.06 m3
C25/P8钢筋砼池壁:V=(15+20-0.25×2)×2×4×0.25=69 m3
编列项目清单如下表:
分部分项工程量清单 表4-9
序号 | 项目编码 | 项目名称 | 计量单位 | 工程数量 |
1 | 010415001001 | C25/P8钢筋砼水池平底,长15m、宽20m、厚0.3m;池底C15素砼垫层15.3×20.3×0.1;池底埋深1.8m | m3 | 91.38 |
2 | 010415001002 | C25/P8钢筋砼水池壁,矩形,壁厚250mm,壁高3.7m | m3 | 69 |
例7:计算图4-4现浇单跨矩形梁(共10根)的钢筋清单工程量,并编列项目清单。
图4-4 梁配筋图 (混凝土强度C25)

解:该梁钢筋为现浇混凝土结构钢筋,按钢种划分为二个项目列项。
设计图中未明确的:保护层厚度25mm计算,钢筋定尺长度大于8m,按35d计算搭接长度,箍筋及弯起筋按梁断面尺寸计算;锚固长度按图示尺寸计算。
①2Φ25:L=7+0.25×2-0.025×2+0.45×2+0.025×35=9.225m
W1=9.225×2根×3.85×10=710kg
②2wΦ25:
L=7+0.25×2-0.025×2+0.65×0.4×2+0.45×2+0.025×35=9.745m
W2=9.745×2根×3.85×10=750kg
③2Φ22:L=7+0.25×2-0.025×2+0.45×2+0.022×35=9.12m
W3=9.12×2×2.986×10=545kg
④2Φ12:L=7+0.25×2-0.025×2+0.012×12.5=7.6m
W4=7.6×2×0.888×10=135kg
⑤Φ8@150/100:N=3.4÷0.15-1+(1.5÷0.1+1)×2
=21.67+16×2=53.67只 取54只
L=(0.25+0.65)×2=1.8m/只
W5=1.8×0.395×54×10=384kg
⑥Φ8@300:N=(7-0.25×2)÷0.3+1=23
L=0.25-0.025×2+12.5×0.008=0.3m
W6=0.3×0.395×23×10=27kg
工程量汇总:Ⅰ级圆钢 ∑W=135+384+27=546kg
Ⅱ级螺纹钢:∑W=710+750+545=2005kg
项目工程量清单编列如下表:
分部分项工程量清单 表4-10
序号 | 项目编码 | 项目名称 | 计量 单位 | 工程 数量 |
1 | 010416001001 | 现浇混凝土钢筋:Ⅰ级圆钢,规格综合 | t | 0.546 |
2 | 010416001002 | 现浇混凝土钢筋:Ⅱ级螺纹钢,Φ10以上 | t | 2.005 |
砼及钢筋砼工程工程量清单计价例题
例8:某工程编制的工程量清单如表4-28,计价人根据设定的施工方案和市场调查的工料机价格(见表4-11附表,不再考虑其他风险),施工综合取费按照三类民用建筑工程的中限标准取值,计算该工程分部分项工程量清单和模板工程措施项目清单报价(工程要求采用泵送商品砼)。
分部分项工程量清单 表4-11
工程名称:XXXX工程 第X页 共X页
序号 | 项目编码 | 项目名称 | 计量 单位 | 工程数量 |
1 | 010401001001 | C25钢筋砼有梁式带形基础:底宽1.2m,厚200,锥高0.05m,梁高350,宽300,基底长106.5m;C10砼垫层,宽度1.4m,厚0.1m | m3 | 42.84 |
2 | 010401001002 | C25钢筋砼有梁式带形基础:底宽1.4m,厚200,锥高0.05m,梁高350,宽300,基底长121.2m;C10砼垫层,宽度1.6m,厚0.1m | m3 | 53.6 |
3 | 010401002001 | C25钢筋砼独立柱基(共10只):基底2m×2m,厚0.35m,顶面0.4m×0.4m,锥高0.35m;基底C10砼垫层2.2m×2.2m,厚0.1m | m3 | 47.4 |
4 | 010402001001 | C25钢筋混凝土现浇矩形柱,断面周长1.8m以内,层高3.6m以内,柱高24.87m | m3 | 120.6 |
5 | 010402001002 | C25钢筋混凝土现浇矩形柱,断面周长1.8m以上,层高4.5m,柱高24.87m | m3 | 46.8 |
6 | 010403002001 | C25钢筋混凝土现浇矩形梁,梁高0.6m上, 层高4.5m | m3 | 63. 2 |
7 | 010403002002 | C25钢筋混凝土现浇矩形梁,梁高0.6内, 层高4.5m | m3 | 33.74 |
8 | 010405001001 | C25钢筋混凝土井字有梁板,层高4.5m | m3 | 126.63 |
9 | 010405003001 | 平板:C25钢筋混凝土,板厚120mm,层高4.5m | m3 | 259.3 |
10 | 010405008001 | C25钢筋砼梁板式雨篷:外挑尺寸1.68m×6.5m,梁上翻沿高0.6m;分项体积:梁(高o.6内)0.84m3、板(厚100)0.82m3、翻沿0.69m3,板面标高4.4m | m3 | 2.35 |
11 | 010406001001 | 直形板式楼梯:C25钢筋混凝土,底板厚0.2m | m2 | 20.65 |
12 | 010416001001 | 现浇混凝土钢筋:Ⅰ级圆钢,规格综合 | t | 45.54 |
13 | 010416001002 | 现浇混凝土钢筋:Ⅱ级螺纹钢,Φ10以上 | t | 84.48 |
解:根据清单项目特征,需对有关项目计价工程量进行计算(以下按清单序号排列项目计算)。
(1)计价工程量计算
基础垫层:墙基1下砼垫层 V=1.4×0.1×106.5=14.91m3
墙基2下砼垫层 V=1.6×0.1×121.2=19.39m3
独立柱基下砼垫层 V=2.2×2.2×0.1×10只=4.84m3
项目清单中提供的墙基长度是基底长度,按照计价定额使用规则,垫层搭接体积不予扣除,故可直接利用该长度计算,如果清单提供的是基底垫层长度(或体积),则应按垫层长度增加不应扣除的T形搭接长度。
雨篷工程量:S=1.68×6.5=10.92m2
折实厚度δ=(2.35-高度25cm以上的翻沿0.69)÷10.92×100=15.2cm
高度大于25cm的翻沿0.69 m3套用翻沿定额计算。
(2)模板工程量计算:(采用计价定额提供的《现浇混凝土构件含模量参考表》,对于相同项目可以合并计算)
基础部分:有梁式带形基础模板S=(42.84+53.6)×2.17=209.27m2
独立柱基模板 S=47.4×1.88=89.11 m2
基础砼垫层模板 S=(14.91+19.39+4.84)×1.38=54.01 m2
柱模板(按层高不同予以分别计算)
层高3.6m内(断面1.8以内):S=120.6×9.92=1196.35 m2
层高4.5m (断面1.8以上):S=46.8×6.79=317.77 m2
梁模板(层高相同,合并计算):
层高4.5m S=63.2×8.1+33.74×10.6=869.56 m2
井字板模板:S=126.63×10=1266.3m2 (层高4.5合并计算支撑超高)
平板模板:S=259.3×8.04=2084.77m2
雨篷模板:S=10.92m2
雨篷翻沿模板:S=0.69×19.09=13.17 m2 (翻沿超过250mm)
层高超过3.6m板的模板支撑增加:(高度超过250mm的翻沿不计算)
S=1266.3+2084.77+雨篷梁0.84×10.6+雨篷板0.82×12.06=3369.86m2
直形楼梯模板:S=20.65m2
(3)计价施工工程量与清单工程量的转换
各组合内容工程量按采用的计价定额规则计算后,以计价工程量÷清单工程量的比值,计算清单项目“1”个单位工程量的含量:
序号1带形基础 每m3基础的砼垫层含量=14.91÷42.84=0.3480m3
序号2带形基础 每m3基础的砼垫层含量=19.39÷53.6=0.3618m3
序号3独立柱基 每m3基础的砼垫层含量=4.84÷47.4=0.1021 m3
雨篷(定额按m2计算)折成每m3雨篷工程量=10.92÷2.35=4.647m2
雨篷翻沿 每m3雨篷含翻沿=0.69÷2.35=0.2936 m3
清单项目与计价工程量一致的,则不需转换。
XX工程取定工料机价格表 表4-11附表
序号 | 名称 | 规格 | 计量单位 | 单价 |
1 | 人工 | 模板工 | 工日 | 40 |
2 | 人工 | 混凝土工 | 工日 | 35 |
3 | 人工 | 钢筋工 | 工日 | 30 |
4 | 商品砼 | C25 地下工程 | m3 | 210 |
5 | 商品砼 | C25 地上工程 | m3 | 220 |
6 | 商品砼 | C10垫层 | m3 | 185 |
7 | 木模 | 松板枋 | m3 | 950 |
8 | 复合模板 | m2 | 22 | |
9 | 钢支撑 | Kg | 4.20 | |
10 | 圆钢 | 综合Ⅰ级 | t | 3850 |
11 | 螺纹钢 | 综合Ⅱ级 | t | 3900 |
12 | 未列入本表的按定额取定价格计价;机械费按定额取定价的105%计算 | |||
(4)分部分项工程综合单价计算分析表(见表4-12)的编制
按照《浙江省建筑工程工程量清单计价指引》套用相应定额,部分定额子目根据市场价格及设计内容调整、换算如下:
C10砼垫层 4-197H:
人工费=0.34工日×35元/工日=11.9元/m3
材料费=(10.15×185+5.3×4.48+4×1.95)÷10=190.03元/m3
机械费=0.621×105%=0.65元/m3
C25钢筋砼带形(独立)基础 4-199H:
人工费=0.3工日×35元/工日=10.5元/m3
材料费=(10.15×210+3.8×4.48+7.8×1.95)÷10=216.37元/m3
机械费=0.505×105%=0.53元/m3
其他各项目均按上述方法调整、换算后,用于综合单价计算。
分部分项工程量清单项目综合单价分析表 表4-12
工程名称:XXXX工程 第X页 共X页
序号 | 项目编码或定额编号 | 项目 名称 | 计量单位 | 工程数量 | 人工费 | 材料费 | 机械费 | 企业管理费 | 利润 | 综合单价 |
1 | 010401001001 | 带形基础1.2宽 | m3 | 1 | 14.64 | 282.5 | 0.76 | 3.16 | 2.15 | 303.21 |
4-199H | C25有梁带基 | m3 | 1 | 10.50 | 216.37 | 0.53 | 2.26 | 1.54 | 231.20 | |
4-197H | C10砼垫层 | m3 | 0.3480 | 4.14 | 66.13 | 0.23 | 0.90 | 0.61 | 72.01 | |
2 | 010401001002 | 带形基础1.4宽 | m3 | 1 | 14.81 | 285.12 | 0.77 | 3.19 | 2.18 | 306.07 |
3-13H | C25有梁带基 | m3 | 1 | 10.50 | 216.37 | 0.53 | 2.26 | 1.54 | 231.20 | |
4-125H | C10砼垫层 | m3 | 0.3618 | 4.31 | 68.75 | 0.24 | 0.93 | 0.64 | 74.87 | |
3 | 010401002001 | 独立柱基 | m3 | 1 | 11.71 | 235.77 | 0.60 | 2.52 | 1.72 | 252.32 |
4-199H | C25独立柱基 | m3 | 1 | 10.50 | 216.37 | 0.53 | 2.26 | 1.54 | 231.20 | |
4-197H | C10砼垫层 | m3 | 0.1021 | 1.21 | 19.40 | 0.07 | 0.26 | 0.18 | 21.12 | |
4 | 010402001001 | 矩形柱 1.8m内 (含施工超高费) | m3 | 1 | 47.71 | 226.12 | 0.90 | 9.96 | 6.81 | 291.50 |
4-203H | C25柱 | m3 | 1 | 46.55 | 226.12 | 0.88 | 9.72 | 6.64 | 289.91 | |
18-1+19 | 超高施工增加费 | 元 | 1.16 | 0.02 | 0.24 | 0.17 | 1.59 | |||
5 | 010402001002 | 矩形柱 1.8m内 | m3 | 1 | 46.55 | 226.12 | 0.88 | 9.72 | 6.64 | 289.91 |
4-203H | C25柱 | m3 | 1 | 46.55 | 226.12 | 0.88 | 9.72 | 6.64 | 289.91 | |
6 | 010403002001 | 矩形梁 高0.6m | m3 | 1 | 19.95 | 228.66 | 0.88 | 4.27 | 2.92 | 256.68 |
4—207H | C25矩形梁 | m3 | 1 | 19.95 | 228.66 | 0.88 | 4.27 | 2.92 | 256.68 | |
7 | 010403002002 | 矩形梁 高0.6m | m3 | 1 | 19.95 | 228.66 | 0.88 | 4.27 | 2.92 | 256.68 |
4—207H | C25矩形梁 | m3 | 1 | 19.95 | 228.66 | 0.88 | 4.27 | 2.92 | 256.68 | |
8 | 010405001001 | 井字板,层高4.5m | m3 | 1 | 18.55 | 237.06 | 0.98 | 4.00 | 2.73 | 263.32 |
4-210H | C25井字板 | m3 | 1 | 18.55 | 237.06 | 0.98 | 4.00 | 2.73 | 263.32 |
分部分项工程量清单项目综合单价计算表 表4-12续表
工程名称:XXXX工程 第X页 共X页
序号 | 项目编码或定额编号 | 项目名称 | 计量单位 | 工程数量 | 人工费 | 材料费 | 机械费 | 企管费 | 利润 | 综合单价 |
9 | 010405003001 | 平板 厚120mm | m3 | 1 | 18.55 | 237.06 | 0.98 | 4.00 | 2.73 | 263.32 |
4-210H | C25平板 | m3 | 1 | 18.55 | 237.06 | 0.98 | 4.00 | 2.73 | 263.32 | |
10 | 010405008001 | 雨篷 | m3 | 1 | 56.29 | 220.49 | 1.50 | 11.85 | 8.09 | 298.21 |
4-220H | C25雨篷 厚15.2cm | m2 | 4.6470 | 34.61 | 153.36 | 1.11 | 7.32 | 5.00 | 201.40 | |
4-222H | 雨篷翻沿 | m3 | 0.2936 | 21.68 | 67.13 | 0.39 | 4.52 | 3.09 | 96.81 | |
11 | 010406001001 | 直形楼梯 | m2 | 1 | 7.39 | 61.80 | 0.35 | 1.59 | 1.08 | 72.21 |
4-218H | C25楼梯 板厚0.2m | m2 | 1 | 7.39 | 61.80 | 0.35 | 1.59 | 1.08 | 72.21 | |
12 | 010416001001 | 现浇混凝土钢筋 | t | 1 | 387.00 | 3983.56 | 45.40 | 88.64 | 60.54 | 4565.14 |
4-393 | 现浇构件Ⅰ级圆钢 | t | 1 | 387.00 | 3983.56 | 45.40 | 88.64 | 60.54 | 4565.14 | |
13 | 010416001002 | 现浇混凝土钢筋 | t | 1 | 162.00 | 4028.42 | 72.17 | 48.00 | 32.78 | 4343.37 |
4-394 | 现浇构件螺纹钢 | t | 1 | 162.00 | 4028.42 | 72.17 | 48.00 | 32.78 | 4343.37 |
注: ①.表中工料机费=工程数量×计价定额调整后的单位价格,如:
序号1垫层人工费=0.348 m3/m3×11.9元/m3=4.14元/ m3清单工程量。
序号10雨篷(15.2cm)厚人工费=4.647m2/m3×(0.14工日/m2×35元/工日)×15.2/10=34.61元/m3清单工程量
②.综合费按照三类民用建筑工程的中限标准取值,以人工、机械费为基数:企管费20.5%、利润14%
③.按照清单规范综合解释,建筑物檐高超过20m超高施工增加的人工费、机械费列入分布分项工程量清单综合单价内,本例序号4~13内容均应计算此项费用,例中仅取序号4一项予以计算示例;此内容计算视清单编制人列项情况,且有赖于电算软件功能的设置和完善,如清单编制人将超高施工费单独列项计算的,则不列入各分项综合单价内计算。
根据以上的综合单价计算,编列现浇混凝土分部分项工程量清单计价表如下:
分部分项工程量清单计价表 表4-13
工程名称:XXXX工程 第X页 共X页
序号 | 项目编码 | 项目名称 | 计量 单位 | 工程数量 | 金 额(元) | |
综合单价 | 合价 | |||||
1 | 010401001001 | C25钢筋砼有梁式带形基础:底宽1.2m,厚200,锥高0.05m,梁高350,宽300,基底长106.5m;C10砼垫层,宽度1.4m,厚0.1m | m3 | 42.84 | 303.21 | 12990 |
2 | 010401001002 | C25钢筋砼有梁式带形基础:底宽1.4m,厚200,锥高0.05m,梁高350,宽300,基底长121.2m;C10砼垫层,宽度1.6m,厚0.1m | m3 | 53.6 | 306.07 | 16405 |
3 | 010401002001 | C25钢筋砼独立柱基(共10只):基底2m×2m,厚0.35m,顶面0.4m×0.4m,锥高0.35m;基底C10砼垫层2.2m×2.2m,厚0.1m | m3 | 47.4 | 252.32 | 11960 |
4 | 010402001001 | C25钢筋混凝土现浇矩形柱,断面周长1.8m以内,层高3.6m以内,柱高24.87m | m3 | 120.6 | 291.50 | 35155 |
5 | 010402001002 | C25钢筋混凝土现浇矩形柱,断面周长1.8m以上,层高4.5m,柱高24.87m | m3 | 46.8 | 289.91 | 13568 |
6 | 010403002001 | C25钢筋混凝土现浇矩形梁,梁高0.6m上,层高4.5m | m3 | 63. 2 | 256.68 | 16222 |
7 | 010403002002 | C25钢筋混凝土现浇矩形梁,梁高0.6内,层高4.5m | m3 | 33.74 | 256.68 | 8660 |
8 | 010405001001 | C25钢筋混凝土井字有梁板,层高4.5m | m3 | 126.63 | 263.32 | 33344 |
9 | 010405003001 | 平板:C25钢筋混凝土,板厚120mm,层高4.5m | m3 | 259.3 | 263.32 | 68279 |
10 | 010405008001 | C25钢筋砼梁板式雨篷:外挑尺寸1.68m×6.5m,梁上翻沿高0.6m;分项体积:梁(高o.6内)0.84m3、板(厚100)0.82m3、翻沿0.69m3,板面标高4.4m | m3 | 2.35 | 298.21 | 701 |
11 | 010406001001 | 直形板式楼梯:C25钢筋混凝土,底板厚0.2m | m2 | 20.65 | 72.21 | 1491 |
12 | 010416001001 | 现浇混凝土钢筋:Ⅰ级圆钢,规格综合 | t | 45.54 | 4565.14 | 207896 |
13 | 010416001002 | 现浇混凝土钢筋:Ⅱ级螺纹钢,Φ10以上 | t | 84.48 | 4343.37 | 366928 |
本页小计 | 793599 | |||||
合 计 | ||||||
(5)措施项目清单模板工程综合单价计算:措施项目清单计价表中的模板工程仅以“1”项表示,但该一项的报价也应该通过综合单价表的计算,然后汇总到措施项目清单计价表。
根据前面计算的模板工程量进行列项,套用03浙江省计价定额及按照取定的工料机价格计算综合单价(见下表)
现浇混凝土模板工程措施项目清单综合单价计算表(单位:元) 表4-14
工程名称:XXXX工程 第X页 共X页
序号 | 定额编号 | 项目名称 | 单位 | 工程量 | 人工费 | 材料费 | 机械费 | 企管费 | 利润 | 合价 | 综合单价 |
1 | 4-5 | 有梁带基模板 | m2 | 209.27 | 2050.85 | 1895.99 | 146.67 | 450.49 | 307.65 | 4852 | 23.19 |
2 | 4-7 | 独立柱基模板 | m2 | 89.11 | 816.25 | 778.61 | 39.25 | 175.38 | 119.77 | 1929 | 21.65 |
3 | 4-1 | 砼垫层模板 | m2 | 54.01 | 641.64 | 474.25 | 36.05 | 138.93 | 94.88 | 1386 | 25.66 |
4 | 4-22 | 柱模板3.6m内 | m2 | 1514.12 | 18835.65 | 14855.95 | 1550.24 | 4179.11 | 2854.02 | 42275 | 27.91 |
5 | 4-26 | 柱模高4.5m增 | m2 | 317.77 | 279.64 | 156.62 | 14.78 | 60.36 | 41.22 | 553 | 1.74 |
6 | 4-31+38 | 梁模板 高4.5m | m2 | 869.56 | 15339.04 | 11506.18 | 1446.62 | 3441.06 | 2349.99 | 34083 | 39.20 |
7 | 4-41 | 井字板模板 | m2 | 1266.3 | 19652.98 | 24095.57 | 1881.54 | 4414.58 | 3014.83 | 53060 | 41.90 |
8 | 4-40 | 平板模板 | m2 | 2084.77 | 20430.75 | 21719.93 | 2471.39 | 4694.94 | 3206.30 | 52523 | 25.19 |
9 | 4-60 | 雨篷模板 | m2 | 10.92 | 327.60 | 180.81 | 21.14 | 71.49 | 48.82 | 650 | 59.52 |
10 | 4-61 | 翻沿模板 | m2 | 13.17 | 159.62 | 94.61 | 8.88 | 34.54 | 23.59 | 321 | 24.37 |
11 | 4-47 | 板层高4.5m增 | m2 | 3369.86 | 3774.24 | 3427.66 | 575.69 | 891.74 | 608.99 | 9278 | 2.75 |
12 | 4-58 | 直梯模板 | m2 | 20.65 | 875.56 | 712.56 | 62.03 | 192.21 | 131.26 | 1974 | 95.59 |
合 计 | 202884 |
以“有梁带基模板”说明上表中工、料、机、费、及综合单价的计算方法。
套用03《浙江省建筑工程预算定额》4-5定额子目:
人 工 费=209.27m2×0.245工日/m2×40元/工日=2050.85元
材料费项目单位价格=10.1124+复合木模(22-32.54)×0.1464+木模(950-915)×0.00259+钢支撑(4.2-2.77)×0.2826=9.06元/m2
∴ 材 料 费 合计=209.27m2×9.06元/m2=1895.99元
机 械 费=209. 27m2×0.6675×105%=146.67元
企业管理费=(2050.85+146.67)×20.5%=450.49元
利 润=(2050.85+146.67)×14%=307.65元
合 价=2050.85+1895.99+146.67+450.49+307.65=4851.65元
∴ 综合单价=4851.65元÷209. 27m2=23.18元/ m2
例9:计算例题5序号1、2预制过梁制、运、安(不包括模板)的综合单价。施工方案考虑构件在企业预制厂制作,自行运输(运距8km),吊装机械为塔吊;假设:工料机按定额取定价格计价,不考虑风险因素;预制厂为企业二级独立核算单位,应交纳得增值税按制作工料机成本的17.5%计算;施工取费经决策后按企管费14%、利润8%计算。
解:(1)计算计价工程量:
序号1、2过梁:制作工程量V=0.073×16×(1+1.5%)=1.19m3
运输安装工程量V=0.073×16=1.17m3
(2)根据清单内容确定制、安、运定额套用价格。
过梁制作 套4-335定额,每m3工料机费为:
人工费48.10元、材料费176.18元、机械费19.30元
过梁运输 按定额说明六·7条套 4-419+420×3定额,每m3工料机费为:
人工费9.62元、材料费3.08元、机械费65.27元
过梁安装(无焊接)套4-455定额,按定额说明六·10规则换算得:
人工费=31.72×0.66=20.94元/m3、材料费9.95元/m3
机械费=56.17-0.0431×986.54=13.65元/m3
(3)计算综合单价:
人工费=1.19×48.10×(1+17.5%)+1.17×(9.62+20.94)=103.01元
材料费=1.19×176.18×(1+17.5%)+1.17×(3.08+9.95)=261.59元
机械费=1.19×19.30×(1+17.5%)+1.17×(65.27+13.65)=119.32元
企管费=(103.01+119.32)×14%=31.13元
利润=(103.01+119.32)×8%=17.79元
合计报价=103.01+261.59+119.32+31.13+17.79=532.84元
∴综合单价=532.84÷16=33.30元/根
补[模板]例1:利用图1-1所示基础,已知1—1断面为有梁式带形基础工程量V=12.52 m3,2-2断面为有梁式带形基础工程量V=3.61 m3,小计V=16.13 m3;J-1柱基为四棱台独立柱基,体积V=5.94m3。另1-1断面砼垫层V=32.38×1.4×0.1=4.53m3,2-2断面砼垫层V=8.18×1.6×0.1=1.31m3,J-1独立柱基下砼垫层V=2.2×2.2×0.1×3=1.45m3,小计V=7.29m3。试按03预算定额含模量计算其模板工程量。
解:按03版定额每立方米构件混凝土含模量计算模板工程量见表4-15。
表4-15
序号 | 项目名称 | 计量单位 | 混凝土 工程数量(m3) | 定额 含模量 (㎡/ m3) | 模板 工程量 |
1 | 基础砼垫层模板 | ㎡ | 7.29 | 1.38 | 10.06 |
2 | 有梁式带形基础模板 | ㎡ | 16.13 | 2.17 | 35.00 |
3 | 钢筋混凝土独立基础模板 | ㎡ | 5.94 | 1.88 | 11.17 |
补例-2某工程二层楼面结构布置见图4-1,已知楼层标高为4.5m,①~③轴楼板厚120mm,③~④轴楼板厚90mm。试按模板实际接触面展开计算各梁板的模板工程量。
解:
1.工程量计算
⑴首先判断该楼面③~④轴间井字格面积是否≤5㎡,即判断是否为密肋板。取井字梁中面积S=1.8×2.7=4.86m2≤5m2, 则该板为密肋板。余轴间面积均>5m2,为一般板,梁、板模板工程量应分别计算。
⑵密肋板模板工程量(梁板合并,但框架梁及框架连续梁应分别计算)
③~④轴板模板S=(5.4-0.125-0.13)×(5.4×2-0.18×2-0.3)=52.17㎡。
2LL2模板S=(5.4×2-0.18×2-0.3-0.25×2)×(0.35-0.09)×2×2=10.02㎡。
2LL3模板S=(5.4-0.125-0.2×2-0.13)×(0.45-0.09)×2×2=6.83㎡。
密肋板模板工程量小计S=10.02+6.83+52.17=69.02㎡。
⑶矩形梁模板工程量
KL1模板S=(5.4×2-0.33×2-0.45)×〔0.7×2+(0.7-0.12)×4+(0.7-0.09)×2+0.25×4〕=57.56㎡。
LL1模板S=(5.4×2-0.18×2-0.3)×[(0.6-0.12)×2+0.25]= 12.26㎡。
KL2模板S=(4.2×2-0.33-0.45-0.45÷2)×(0.85×4-0.12×2+0.3×2)+(5.4-0.45÷2-0.33)×(0.85×4-0.09×2+0.3×2)= 46.31㎡。
KL3模板S=(4.2×2-0.33-0.45-0.45÷2)×[(0.6-0.12)×2+0.3]+(5.4-0.45÷2-0.33)×[(0.6-0.09)×2+0.3]=15.71㎡。
矩形梁模板工程量小计S=57.56+12.26+46.31+15.71=131.84㎡。
⑷其他板模板工程量
①~②轴间板模板S=(4.2-0.13-0.125)×(5.4×2-0.18×2-0.3)= 40.00㎡。
②~③轴间板模板S=(4.2-0.125×2-0.25)×(5.4×2-0.18×2-0.3)= 37.52㎡。
其他板模板工程量小计S=40+37.52=77.52㎡。
2.模板工程量编列如表4-16。
表4-16
序号 | 项目名称 | 计量单位 | 工程数量 |
1 | 矩形梁模板:层高4.5m | ㎡ | 131.84 |
2 | 板模板:层高4.5m | ㎡ | 77.52 |
3 | 密肋板模板:层高4.5m | ㎡ | 69.02 |
补例3:根据表4-16各构件模板工程量,计算模板工程措施项目费。假定该工程按复合模板考虑,假设工料机市场信息价格同定额取定价格,管理费、利润、风险按人工费、机械费之和为基础,分别以20%、14%、5%计算。
解:套03版定额如下
1.矩形梁模板 层高4.5m 131.84㎡ 定额编号 4-31 4-38
2.板模板 层高4.5m 77.52㎡ 定额编号 4-40 4-47
3.密肋板模板 层高4.5m 69.02㎡ 定额编号 4-41 4-47
4.模板工程技术措施清单项目费计算表,详见表4-17。
措施项目费计算表 表4-17
工程名称:XXX 计量单位:项
项目编号:02 工程数量:1
项目名称:模板工程 综合单价8493元
序号 | 定额编号 | 工程内容 | 单位 | 数量 | 其 中(元) | ||||||
人工费 | 材料费 | 机械费 | 管理费 | 利润 | 风险费 | 小计 | |||||
1 | 4-31 | 矩形梁模板 | m2 | 131.84 | 1384.85 | 1692.11 | 191.18 | 315.21 | 220.64 | 78.80 | 3882.79 |
2 | 4-38 | 层高超3.6m梁模板增加 | m2 | 131.84 | 126.83 | 96.92 | 17.71 | 28.91 | 20.24 | 7.23 | 297.83 |
3 | 4-40 | 板模板 | m2 | 77.52 | 493.80 | 864.98 | 87.52 | 116.26 | 81.38 | 29.07 | 1673.01 |
4 | 4-47 | 层高超3.6m板模板增加 | m2 | 77.52 | 56.43 | 69.23 | 12.61 | 13.81 | 9.67 | 3.45 | 165.20 |
5 | 4-41 | 密肋板模板 | m2 | 69.02 | 696.27 | 1223.55 | 97.67 | 158.79 | 111.15 | 39.70 | 2327.13 |
6 | 4-47 | 层高超3.6m密肋板模板增加 | m2 | 69.02 | 50.25 | 61.63 | 11.23 | 12.30 | 8.61 | 3.07 | 147.09 |
合 计 | 2808.43 | 4008.42 | 417.92 | 645.27 | 451.69 | 161.32 | 8493.05 | ||||
厂库房及木结构工程工程量清单编制及计价例题
例1:某厂房设计用 浙J3—93 杉木大门 1M1824 十樘 油一底二面调合漆,按清单计价规范编制工程量清单。
工程量计算:
无框杉木平开木板大门:10樘 (每樘门扇面积1.85×2.42=4.477㎡)
分部分项工程量清单 表—1
序号 | 项目编码 | 项目名称 | 计量单位 | 工程数量 |
1 | 010501001001 | 木板大门 浙J3-93图集1M ,平开、无框、双扇、杉木大门;刷底油一遍、调合漆二遍 门扇尺寸:1.85×2.42=4.477㎡ | 樘 | 10 |
例2:某工程有五榀6m跨度杉圆木普通人字屋架,直拉杆用圆钢制作,木屋架刷防火涂料二遍。见图—1,按清单计价规范编制工程量清单。
图—1 6m跨度杉圆木普通木屋架轴线图
(工程量计算详见例4)
分部分项工程量清单 表—2
序号 | 项目编码 | 项目名称 | 计量单位 | 工程数量 |
1 | 010502001001 | 木屋架 6m跨度杉木普通木屋架, 直拉杆用圆钢,刷防火涂料二遍,每榀屋架刷涂料面积为8.06㎡,每榀屋架材积为0.328m3。 | 榀 | 5 |
例3:计算例1清单的综合单价。
清单工程量:010501001001 木板大门 10樘
为计算方便,本章中的人工、材料、机械台班消耗量及单价按03版浙江省建筑工程预算定额及浙江省建筑安装材料03年基期价格计取,管理费按人工费加机械费的20%计取,利润按人工费加机械费的10%计取。风险费用由企业自行确定,本例暂不计取。
工程量计算:(按一樘门用量计算)
(1)本例为无框门,按门扇外围面积计算施工工程量
门扇面积=1.85×2.42=4.477m2
计算得门扇铁件:29.503kg/樘
每平米门扇铁件用量=29.503/4.477=6.59kg/m2
与定额含量相比增加=6.59-6.22=0.37kg/m2
套定额5-2换后材料费=96.545+0.37×5.32=98.513元/m2
(2)油漆面积:4.477×1.1=4.925m2
(3)结构内预埋铁件:20.663kg /樘
分部分项工程量清单项目综合单价计算表 表-3
工程名称:某厂房 计量单位:樘
项目编码:010501001002 工程数量:10.000
项目名称:木板大门 综合单价:811.33元
序号 | 定额编号 | 工程内容 | 单位 | 数量 | 人工费 | 材料费 | 机械使用费 | 管理费 | 利润 | 风险费用 | 小计 |
1 | 5-2换 | 厂库房不带木框平开大门 | m2 | 44.77 | 1202.07 | 4410.40 | 152.36 | 270.89 | 135.44 | 0.00 | 6171.16 |
2 | 4-410 | 预埋铁件 | t | 0.207 | 105.49 | 903.05 | 72.12 | 35.52 | 17.76 | 0.00 | 1133.94 |
3 | 14-13 | 木门 底油一遍、刮腻子、调和漆二遍 | m2 | 49.25 | 443.25 | 231.96 | 0.00 | 88.65 | 44.33 | 0.00 | 808.19 |
合计 | 1750.81 | 5545.41 | 224.48 | 395.06 | 197.53 | 0.00 | 8113.29 |
注:(1)表中综合单价=8113.29÷10=811.33元/樘
(2)按照上表计算出清单项目综合单价分析表,见表-4。
分项工程量清单项目综合单价分析表 表-4
序号 | 项目编号 | 项目名称 | 综合单价组成 | |||||||
工程内容 | 人工费 | 材料费 | 机械使用费 | 管理费 | 利润 | 风险费 | 小计 | |||
1 | 010501001002 | 木板大门:平开、无框、双扇、杉木大门刷底油一遍、调合漆二木遍每樘门扇尺寸:1.85×2.42=4.477㎡ | 合计 | 175.08 | 554.54 | 22.45 | 39.51 | 19.75 | 0.00 | 811.33 |
厂库房不带木框平开大门 | 120.21 | 441.04 | 15.24 | 27.09 | 13.54 | 0.00 | 617.12 | |||
预埋铁件 | 10.54 | 90.30 | 7.21 | 3.55 | 1.78 | 0.00 | 113.38 | |||
木门 底油一遍、刮腻子、调和漆二遍 | 44.33 | 23.20 | 0.00 | 8.87 | 4.43 | 0.00 | 80.83 | |||
例题4:按照2003版《浙江省建筑工程预算定额》计算例题2清单的综合单价。
清单工程量:010502001001 木屋架5榀
为计算方便本章中的人工、材料、机械台班消耗量及单价按03版浙江省建筑工程预算定额及浙江省建筑安装材料03年基期价格计取,管理费按人工费加机械费的20%计取,利润按人工费加机械费的10%计取。风险费用由企业自行确定,本例暂不计取。
工程量计算 :
根据材积表GB/T144—1995
原木直径Φ 4~12cm V=0.7854L(D+0.45L+0.2)2 ÷10000
原木直径Φ >12cm V=0.7854L〔D+0.5L+0.005L2+0.00125L(14-L)2(D-10)2〕÷10000
式中:V—材积, L—检尺长, D--检尺径 各参数单位:cm(长度为m)
(1)木屋架制作安装工程量共5榀,每一榀竣工木料体积为:
上弦体积=0.7854×3.354×(14+0.50×3.354+0.005×3.3542+0.000125×3.354×(14-3.354)2×(14-10)〕2÷10000×2=0.134m3
下弦体积=0.7854×6.6×〔17+0.50×6.6+0.005×6.62+0.000125×6.6×(14-6.6) 2×(14-10)〕2÷10000=0.162m3
斜撑体积=0.7854×1.677×〔10+0.45×1.677+1.20〕2÷10000×2=0.032m3
每榀屋架竣工木料体积合计=0.134+0.162+0.032=0.328(m3),5榀共1.64m3
木屋架制作安装工程量亦可从材积表直接查得。
(2)木屋架油漆工程量共5榀,每一榀油漆工程量为跨度(长)×中高×1/2以m2计算。再按其他木材面油漆工程量系数表的规定乘以系数1.79计算。
每一榀油漆工程量=6 ×1.5×1.79÷2=8.06m2 ,5榀共 40.30m2
(3)本例下弦木为单根圆木,不用夹板,每榀应扣除夹板一副。
(4)假设屋面钢拉杆用量与定额取定一致,本例计算时不再调整拉杆量差。
(5)计算清单项目综合单价,见表-5
分部分项工程量清单项目综合单价计算表 表-5
工程名称:某工程 计量单位:榀
项目编码:010502001001 工程数量:5.00
项目名称:木屋架 综合单价:527.75元
序号 | 定额编号 | 工程内容 | 单位 | 数量 | 人工费 | 材料费 | 机械使用费 | 管理费 | 利润 | 风险费用 | 小计 |
1 | 5-17 | 铁拉杆、铁夹板人字木屋架 | m3 | 1.64 | 378.35 | 2312.33 | 0.00 | 75.67 | 37.84 | 0.00 | 2804.19 |
2 | 5-18 | 人字木屋架每增减一付下弦铁夹板接头 | m3 | -5.00 | -27.00 | -302.65 | 0.00 | -5.40 | -2.70 | 0.00 | -337.75 |
3 | 14-104 | 其他板材面刷防火涂料二遍 | m2 | 40.3 | 59.12 | 95.47 | 0.00 | 11.82 | 5.91 | 0.00 | 172.32 |
合计 | 410.47 | 2105.15 | 0.00 | 82.09 | 41.05 | 0.00 | 2638.76 |
注:(1)表中综合单价=2638.76÷5=527.75元/榀
(2)按照上表计算出清单项目综合单价分析表,见表-6。
分项工程量清单项目综合单价分析表 表-6
序号 | 项目编号 | 项目名称 | 综合单价组成 | |||||||
工程内容 | 人工费 | 材料费 | 机械使用费 | 管理费 | 利润 | 风险费 | 小计 | |||
1 | 010502001002 | 木屋架 6m跨度杉木普通木屋架,直拉杆用圆钢,刷防火涂料二遍,每榀屋架刷涂料面积为8.06㎡,每榀屋架材积为0.328m3 。 | 合计 | 82.09 | 421.03 | 0.00 | 16.42 | 8.21 | 0.00 | 527.75 |
铁拉杆、铁夹板人字木屋架 | 75.67 | 462.47 | 0.00 | 15.13 | 7.57 | 0.00 | 560.84 | |||
人字木屋架每增减一付下弦铁夹板接头 | -5.40 | -60.53 | 0.00 | -1.08 | -0.54 | 0.00 | -67.55 | |||
其他板材面刷防火涂料二遍 | 11.82 | 19.09 | 0.00 | 2.37 | 1.18 | 0.00 | 34.46 | |||
金属结构工程工程量清单编制及计价例题
例题1:型钢支撑5榀(见下图),运输距离6km、刷防锈漆二遍、银粉漆二遍。
按清单计价规范编制工程量清单。

型钢支撑制作、安装、运输工程量
∠75×6 6.905×5.9×2×5=407.40kg
—8 7.85×8×0.195×0.205×2×5=25.10kg
—8 7.85×8×0.205×0.195×2×5=25.10kg
小计:407.40+25.72+24.45=457.6(kg)=0.46 t
型钢支撑油漆工程量=0.46×0.5=0.23 t
分部分项工程量清单 表—1
序号 | 项目编码 | 项目名称 | 计量单位 | 工程数量 |
1 | 010606001001 | 屋架钢支撑 88.6%角钢、11.4%钢板,制作、运输距离6km,安装高度12m;刷防锈漆二遍、刷银粉漆二遍。 | t | 0.46 |
例题2:计算 例题1清单的综合单价。
清单工程量:010606001001 型钢支撑 0.46t
为计算方便,本章中的人工、材料、机械台班消耗量及单价按03版浙江省建筑工程预算定额及浙江省建筑安装材料03年基期价格计取,管理费按人工费加机械费的20%计取,利润按人工费加机械费的10%计取。风险费用由企业自行确定,本例暂不计取。
分部分项工程量清单项目综合单价计算表 表-2
工程名称:某工程 计量单位:t
项目编码:010606001001 工程数量:0.46
项目名称:钢支撑 综合单价:5186.17元
序号 | 定额编号 | 工程内容 | 单位 | 数量 | 人工费 | 材料费 | 机械使用费 | 管理费 | 利润 | 风险费 | 小计 |
1 | 6-36 | 型钢支撑 制作 | t | 0.46 | 375.36 | 1482.62 | 125.18 | 100.11 | 50.05 | 0.00 | 2133.32 |
2 | 6-39 | 钢支撑安装 | t | 0.46 | 45.54 | 30.31 | 57.04 | 20.52 | 10.26 | 0.00 | 163.67 |
3 | 6-97 | 二类金属构件运输 5km内 | t | 0.46 | 1.38 | 2.20 | 10.25 | 2.33 | 1.16 | 0.00 | 17.32 |
4 | 6-98 | 二类金属构件运输每增减1km | t | 0.46 | 0.08 | 0.00 | 0.53 | 0.12 | 0.06 | 0.00 | 0.79 |
14-140 | 其他金属面防锈漆 一遍 | t | 0.23 | 8.28 | 12.22 | 0.00 | 1.66 | 0.83 | 0.00 | 22.99 | |
14-143 | 其他金属面银粉漆二遍 | t | 0.23 | 16.84 | 25.66 | 0.00 | 3.37 | 1.68 | 0.00 | 47.55 | |
合计 | 447.48 | 1553.01 | 193.00 | 128.10 | 64.05 | 0.00 | 2385.64 |
注:(1)表中综合单价=2385.64÷0.46=5186.17元/ t (2)按照上表计算出清单项目综合单价分析表,见表-3。
分项工程量清单项目综合单价分析表 表-3
序号 | 项目编号 | 项目名称 | 综合单价组成 | |||||||
工程内容 | 人工费 | 材料费 | 机械使用费 | 管理费 | 利润 | 风险费 | 小计 | |||
1 | 010606001001 | 屋架支撑 型钢制作、运输距离6km,刷防锈漆二遍,刷银粉漆二遍 | 合计 | 972.78 | 3376.11 | 419.58 | 278.47 | 139.23 | 0.00 | 5186.17 |
型钢支撑 制作 | 816.00 | 3223.08 | 272.14 | 217.63 | 108.81 | 0.00 | 4637.66 | |||
钢支撑安装 | 99.00 | 65.89 | 124.01 | 44.60 | 22.30 | 0.00 | 355.80 | |||
二类金属构件运输 5km内 | 3.00 | 4.79 | 22.28 | 5.05 | 2.53 | 0.00 | 37.65 | |||
二类金属构件运输 每增减1km | 0.18 | 0.00 | 1.15 | 0.27 | 0.13 | 0.00 | 1.73 | |||
其他金属面防锈漆 一遍 | 18.00 | 26.57 | 0.00 | 3.60 | 1.80 | 0.00 | 49.97 | |||
其他金属面银粉漆二遍 | 36.60 | 55.78 | 0.00 | 7.32 | 3.66 | 0.00 | 103.36 | |||
屋面及防水工程工程量清单编制及计价例题
例题1:某屋面如图—1,砖墙上圆檩木、20mm厚平口杉木屋面板单面刨光、油毡一层、上有36×8@500顺水条、25×25挂瓦条盖粘土平瓦,屋面坡度为B/2A=1/4,按清单计价规范编制工程量清单

图—1【瓦伸出木基层50~70改为70】
解:工程量计算:
(1)粘土平瓦屋面工程量计算: S=31.58×11.58×1.118=408.85㎡
式中1.118按屋面坡度B/2A=1/4 查屋面坡度系数表
也可用三角形的二直角边分别为0.5和1时
斜边= =1.118
(2)油毡屋面板木基层面积=31.44×11.44×1.118=402.12㎡
(3)屋脊长度=31.58m
分部分项工程量清单 表-1
序号 | 项目编码 | 项目名称 | 计量单位 | 工程数量 |
1 | 010701001001 | 瓦屋面 粘土平瓦屋面,20mm厚平口杉木屋面板、油毡一层36×8@500顺水条、25×25挂瓦条,木基层面积402.12m2,屋脊31.58m | ㎡ | 408.85 |
例题2:某住宅刚性屋面做法如图—2所示,已计算得清单工程量为112.09m2,铺设预制架空板83.987m2,按清单计价规范列出工程量清单。
35×800×800预制薄板(架空) |
40厚C20现浇钢丝网细石混凝土 |
纸筋灰隔离层 |
氯丁橡胶油毡一层 |
100mm厚水泥珍珠岩板保温层 |
20厚水泥砂浆找平层 |
砚浇钢筋混凝土板 |
图—2
解:清单项目列项:项目代码010702001001 名称:屋面刚性防水
清单工程量计算:屋面刚性防水:S=13.44×8.34=112.09㎡
预制架空板铺设:S=0.81×0.81×(5×16+4×6×2)=83.987㎡
分部分项工程量清单 表—2
序号 | 项目编码 | 项目名称 | 计量单位 | 工程数量 |
1 | 010702003001 | 屋面刚性防水 35×800×800架空预制薄板铺设83.987m2,40厚C20现浇细石混凝土,纸筋灰隔离层,氯丁橡胶油毡一层,100mm厚水泥珍珠岩板保温层,20厚水泥砂浆找平层 | ㎡ | 112.09 |
例题3:计算例题1清单的综合单价。
清单工程量:010701001001 瓦屋面 408.85m2
为计算方便,本章中的人工、材料、机械台班消耗量及单价按03版浙江省建筑工程预算定额及浙江省建筑安装材料03年基期价格计取,管理费按人工费加机械费的20%计取,利润按人工费加机械费的10%计取。风险费用由企业自行确定,本例暂不计取。
按清单提供的工程量:
粘土平瓦屋面面积=408.85㎡
油毡屋面板木基层面积=402.12㎡
屋脊长度=31.58m
分部分项工程量清单项目综合单价计算表 表-3
工程名称:某工程 计量单位:m2
项目编码:010701001001 工程数量:408.85
项目名称:瓦屋面 综合单价:38.50元
序号 | 定额 编号 | 工程内容 | 单位 | 数量 | 人工费 | 材料费 | 机械费 | 管理费 | 利润 | 风险费 | 小计 |
1 | 7-17 | 屋面木基层上铺盖粘土平瓦 | m2 | 408.85 | 435.83 | 5090.06 | 0.00 | 87.17 | 43.58 | 0.00 | 5656.64 |
2 | 7-19 | 粘土平瓦屋脊 | m | 31.58 | 43.52 | 174.22 | 5.08 | 9.72 | 4.86 | 0.00 | 237.40 |
3 | 5-30 | 屋面平口板木基层 有油毡 | m2 | 402.12 | 675.56 | 8968.88 | 0.00 | 135.12 | 67.56 | 0.00 | 9847.12 |
合计 | 1154.91 | 14233.16 | 5.08 | 232.01 | 116.00 | 0.00 | 15741.16 |
注:(1)表中综合单价=15741.16÷408.85=38.50元/ m2 (2)按照上表计算出清单项目综合单价分析表,见表-4。
分项工程量清单项目综合单价分析表 表-4
序号 | 项目编号 | 项目名称 | 综合单价组成 | |||||||
工程内容 | 人工费 | 材料费 | 机械使用费 | 管理费 | 利润 | 风险费 | 小计 | |||
1 | 010101003001 | 瓦屋面:粘土平瓦屋面,20mm厚平口杉木屋面板、油毡一层36×8@500顺水条、25×25挂瓦条,木基层面积402.12m2,屋脊31.58m | 合计 | 2.82 | 34.82 | 0.01 | 0.56 | 0.29 | 0.00 | 38.50 |
屋面木基层上 铺盖粘土平瓦 | 1.07 | 12.45 | 0.00 | 0.21 | 0.11 | 0.00 | 13.84 | |||
粘土平瓦屋脊 | 0.10 | 0.43 | 0.01 | 0.02 | 0.01 | 0.00 | 0.57 | |||
屋面平口板 木基层 有油毡 | 1.65 | 21.94 | 0.00 | 0.33 | 0.17 | 0.00 | 24.09 | |||
例题4:计算例题2清单(名称改为卷材防水)的综合单价。清单工程量:010702001001 112.09㎡
为计算方便,本章中的人工、材料、机械台班消耗量及单价按03版浙江省建筑工程预算定额及浙江省建筑安装材料03年基期价格计取,管理费按人工费加机械费的20%计取,利润按人工费加机械费的10%计取。风险费用由企业自行确定,本例暂不计取。
根据清单提供的工程量计算确定组合内容的施工工程量:20厚水泥砂浆找平层工程量=112.09㎡
100mm厚水泥珍珠岩板保温层=11.209m3 氯丁橡胶油毡一层工程量=112.09㎡ (按图考虑无翻沿增加面积)
纸筋灰隔离层工程量=112.09㎡ 40厚C20现浇细石混凝土工程量=112.09㎡ 预制薄板架空层工程量=83.987㎡
分部分项工程量清单项目综合单价计算表 表-5
工程名称:某工程 计量单位:m2
项目编码:010702001001 工程数量:112.09
项目名称:屋面卷材防水 综合单价:92.05元
序号 | 定额编号 | 工程内容 | 单位 | 数量 | 人工费 | 材料费 | 机械费 | 管理费 | 利润 | 风险费 | 小计 |
1 | 7-45 | 屋面氯丁橡胶卷材防水层 | m2 | 112.09 | 64.12 | 3522.66 | 0.26 | 12.88 | 6.44 | 0.00 | 3606.36 |
2 | 7-1 | 屋面细石砼防水层 厚4cm | m2 | 112.09 | 358.46 | 1241.00 | 59.47 | 83.59 | 41.79 | 0.00 | 1784.31 |
3 | 7-4 | 屋面架空预制砼板保护层 | m2 | 83.987 | 262.02 | 291.35 | 3.75 | 53.15 | 26.58 | 0.00 | 636.85 |
4 | 7-7 | 屋面纸筋灰隔离层 | m2 | 112.09 | 107.83 | 56.26 | 3.51 | 22.27 | 11.13 | 0.00 | 201.00 |
5 | 8-99 | 屋面铺水泥珍珠岩 | m3 | 11.209 | 163.20 | 3178.42 | 0.00 | 32.64 | 16.32 | 0.00 | 3390.58 |
6 | 10-1 | 水泥砂浆找平层 厚20mm | m2 | 112.09 | 218.58 | 395.11 | 15.03 | 46.72 | 23.36 | 0.00 | 698.80 |
合计 | 1174.21 | 8684.80 | 82.02 | 251.25 | 125.62 | 0.00 | 10317.90 |
注:(1)表中综合单价=10317.90÷112.09=92.05元/m3; (2)按照上表计算出清单项目综合单价分析表,见表-6。
分项工程量清单项目综合单价分析表 表-6
序号 | 项目编号 | 项目名称 | 综合单价组成 | |||||||
工程内容 | 人工费 | 材料费 | 机械费 | 管理费 | 利润 | 风险费 | 小计 | |||
1 | 010702001001 | 屋面卷材防水 35×800×800架空预制薄板铺设83.987m2,40厚C20现浇细石混凝土,纸筋灰隔离层,氯丁橡胶油毡一层,100mm厚水泥珍珠岩板保温层,20厚水泥砂浆找平层 | 合计 | 10.48 | 77.48 | 0.72 | 2.24 | 1.13 | 0.00 | 92.05 |
屋面氯丁橡胶卷材防水层 | 0.57 | 31.43 | 0.00 | 0.11 | 0.06 | 0.00 | 32.17 | |||
屋面细石砼防水层 厚4cm | 3.20 | 11.07 | 0.53 | 0.75 | 0.37 | 0.00 | 15.92 | |||
屋面架空预制砼板保护层 | 2.34 | 2.60 | 0.03 | 0.47 | 0.24 | 0.00 | 5.68 | |||
屋面纸筋灰隔离层 | 0.96 | 0.50 | 0.03 | 0.200 | 0.10 | 0.00 | 1.79 | |||
屋面铺水泥珍珠岩 | 1.46 | 28.36 | 0.00 | 0.29 | 0.15 | 0.00 | 30.26 | |||
水泥砂浆找平层 厚20mm | 1.95 | 3.52 | 0.13 | 0.42 | 0.21 | 0.00 | 6.23 | |||
建筑物超高增加费工程清单计价例题
某综合楼分层及檐高如下图所示,试编制该工程超高施工增加费清单。按照企业决策,根据市场信息价格取定假设:人工、材料、机械与定额取定价格相同;经计价人分析计算得出该单位工程(包括地下室)扣除垂直运输、各类构件单独水平运输、各项脚手架、预制混凝土及金属构件制作后的人工费为240万元,机械费为150万元;工程取费按以人工费、机械费之和为基数:企业管理费15%、利润10%,风险费按工料机5%,试计算编制该工程超高施工降效费和加压水泵及其他费用。
层次 | A单元 | B单元 | ||||
层数 | 层高(m) | 建筑面积(m2) | 层数 | 层高(m) | 建筑面积(m2) | |
地下 | 1 | 3.4 | 800 | 1 | 3.4 | 1200 |
首层 | 1 | 8 | 800 | 1 | 4 | 1200 |
二层 | 1 | 4.5 | 800 | 1 | 4 | 1200 |
标准层 | 1 | 3.6 | 800 | 7 | 3.6 | 7000 |
顶层 | 1 | 3.6 | 800 | 1 | 5 | 1000 |
屋顶 | 1 | 3.6 | 20 | |||
合计 | 4 | 4000 | 11 | 11620 | ||
解:按图计算的相应层次建筑面积列表如下:
1.清单编制:该工程A单元檐高19.85m<20m,B单元檐高36.45m>20m,应计算施工超高有关费用,计算基数应按超高面积与单位工程整体面积比例划分,故清单中应描述超高部分面积或所占比例。
2.按本省补充的清单编号列项,编制清单如下表:
建筑物超高施工降效增加费
项目编号 | 项目名称 | 计量单位 | 数量 |
Z010901001001 | 超高施工增加费 人工降效,机械降效,超高施工加压水泵台班及其他; 檐高20m内建筑面积4000m2; 檐高36.45m建筑面积11620m2,其中首层地坪以上10420m2,包括层高3.6m内7020m2, 4m层高2400m2,5m层高1000m2 | m2 | 10420 |
其中从首层开始计算超高面积=11620-1200=10420m2
3.清单计价:
(1)单位工程扣除地面水平施工项目后人工费、机械费按超高建筑面积与单位工程建筑面积之比计算超高施工降效费用的计算基数:
人工费=240×10420÷(4000+11620)=160.1024万元
机械费=150×10420÷(4000+11620)=100.0640万元
加压水泵及其他 层高3.6m内 S=7020m2
加压水泵及其他 层高4m内 S=2400m2
加压水泵及其他 层高5m内 S=1000m2
(2)人工降效 套用定额18-2 降效系数:568/10000=0.0568
机械降效 套用定额18-20 降效系数:568/10000=0.0568
加压水泵及其他 (层高3.6m内) 套用定额18-38
材料费=1.82元/m2 机械费=1.01元/m2
加压水泵及其他 (层高=4m) 套用定额18-38+55H
材料费=1.82元/m2
机械费=1.01+0.1082×(4-3.6)=1.05元/m2
加压水泵及其他 (层高=5m) 套用定额18-38+55H
材料费=1.82元/m2
机械费=1.01+0.1082×(5-3.6)=1.16元/m2
(3)按照综合单价计算规则,计算该工程超高施工降效和加压水泵增加费如下表。
分部分项工程量清单项目综合单价计算表
工程名称:XXXX工程 计量单位:m2
项目编码:Z010901001001 工程数量:10420
项目名称:超高施工增加费 综合单价:21.69元
序号 | 定额编号 | 项目名称 | 计量单位 | 工程 数量 | 人工费 | 材料费 | 机械费 | 管理费 | 利润 | 风险费 | 综合单价 |
1 | 18-2 | 人工降效 | 万元 | 160.1024 | 90938 | 13641 | 9094 | 4547 | 118220 | ||
2 | 18-20 | 机械降效 | 万元 | 100.0640 | 56836 | 8525 | 5684 | 2842 | 73887 | ||
18-38 | 加压水泵及其他 (层高3.6m内) | m2 | 7020 | 12776 | 7090 | 1064 | 709 | 993 | 22632 | ||
18-38+55H | 加压水泵及其他 (层高=4m) | m2 | 2400 | 4368 | 2520 | 378 | 252 | 344 | 7862 | ||
18-38+55H | 加压水泵及其他 (层高=5m) | m2 | 1000 | 1820 | 1160 | 174 | 116 | 149 | 3419 | ||
合计 | 90938 | 18964 | 67606 | 23782 | 15855 | 8875 | 226020 |
注:综合单价=226020÷10420=21.69元/m2
分部分项工程量清单项目综合单价分析表
序号 | 项目编号 | 项目名称 | 综合单价组成 | |||||||
工程内容 | 人工费 | 材料费 | 机械费 | 管理费 | 利润 | 风险费 | 小计 | |||
1 | Z010901001001 | 超高施工增加费 | 人工降效 | 8.73 | 1.31 | 0.87 | 0.44 | 11.35 | ||
机械降效 | 5.45 | 0.82 | 0.55 | 0.27 | 7.09 | |||||
加压水泵等 | 1.82 | 1.03 | 0.16 | 0.10 | 0.14 | 3.25 | ||||
合计 | 8.73 | 1.82 | 6.48 | 2.28 | 1.52 | 0.85 | 21.69 | |||
以上内容来源于网络收集整理,如有侵权请联系客服